Texas Instruments TUSB1142適応型リニアリドライバ
Texas Instruments TUSB1142適応型リニアトランシーバは、10Gbps USB 3.2リニアリドライバで、USB Type-C™アプリケーション用の1:2 DeMUXまたは2:1 Nux機能が搭載されています。TUSB1142は、ホストとUSB‐Cレセプタクルの間、またはUSBデバイスとUSB-Cレセプタクルの間に存在することを目的としています。TUSB11142は、USB 3.2 Gen2(10Gbps)およびGen1(5Gbps)の両方だけでなく、USB 3.2低消費電力状態(切断、U1、U2、U3)もサポートしています。Texas Instruments TUSB1142には、革新的な適応型レシーバイコライゼーション(AEQ)機能が組み込まれています。AEQ機能は、TUSB1142とUSBデバイスがUSBコネクタに接続されているUSBデバイス間の最高のISI補償設定を自動的に判断し、相互運用性を向上させます。TUSB1142は、3.3V単電源で動作し、40ピンWQFNパッケージでご用意があります。
特徴
- USB Type-C 2:1リドライバMUX
- USB 3.2 5Gbps、10Gbpsサポート
- 高度USB電源管理
- アクティブ: 550mW(標準)
- 切断: 1.5mW
- 無効(EN = L): 0.130mW
- 5GHzで最大12dBの16 EQ設定
- USBコネクタに面したポートを対象とした適応型または固定レシーバ・イコライゼーションの選択
- システムに面したポートのリニアまたは制限されたリドライバ(SSRXトランスミッタ)の選択
- 1V VTX-CMおよびVRX-CM以下
- I2Cまたはピンストラップからの構成
- 1.8Vまたは3.3V I2Cレベルから選択
- 3.3Vの単電源で動作
アプリケーション
- ノートブックとデスクトップ
- ドッキングステーション
- データストレージ
- コネクテッド周辺機器とプリンタ
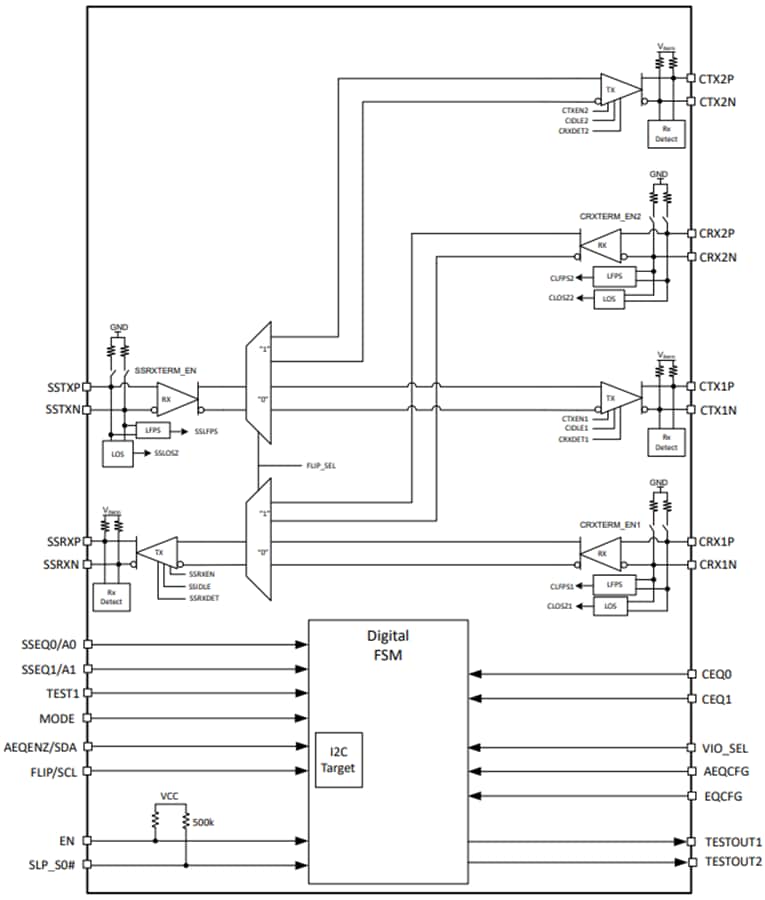
機能ブロック図
公開: 2022-05-20
| 更新済み: 2022-06-15
