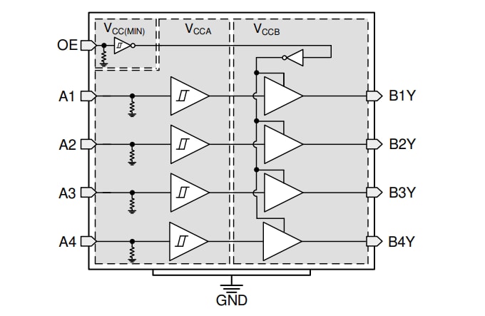
TI TXU0104/TXU0104-Q1単方向レベルシフタAxピンは、VCCA論理レベルを基準としています。OEピンはVCCAまたはVCCB論理レベルのいずれかを基準とすることができ、BxピンはVCCB論理レベルを基準としています。Aポート,Bポートともに、1.1V~5.5Vの入力電圧範囲を受け入れることができます。固定方向のデータ伝送は、いずれかの電源に対してOEを「高」にセットすると、A to BまたはB to Aで発生することがあります。OEを「低」にセットすると、すべての出力ピンが高インピーダンス状態になります。
TXU0104/TXU0104-Q1は、3.00mm × 2.50mm VQFN-14または5.00mm × 4.40mm TSSOP-14パッケージでご用意があります。
特徴
- 車載アプリケーション向けAEC-Q100認定(TXU0104-Q1)
- 各ポートで1.1V~5.5Vの動作を実現できる完全構成式デュアルレール設計
- 3.3V~5.0Vで最速200Mbpsまでをサポート
- シュミットリガ入力によって、低速およびノイズが多い場合の入力が実現
- チャンネルの浮動を防止する、集積静的プルダウン抵抗器を活用した入力
- 高ドライブ強度(5Vで最大12mA)
- 低電力消費
- 最大2.5µA (25°C) (TXU0104)
- 最大3µA (25°C) (TXU0104-Q1)
- 最大6µA(–40°C~125°C)
- VCC絶縁およびVCC切断(Ioff-float)機能
- VCC入力のいずれかが100mV未満または切断されていると、すべての出力が無効になり高インピーダンスになる
- Ioffは、パーシャル・パワーダウン・モードをサポート
- AポートまたはBポートからの制御を実現できる、VCC(MIN)回路搭載の制御ロジック(OE)
- TXBファミリのレベルシフタとのピン互換性あり
- 共通のアプリケーションをサポートしている他の型式でもご用意あり:TXU0104, TXU0104-Q1, TXU0304, TXU0304-Q1
- 動作温度–40°C~+125°C
- ラッチアップ性能は100mA超(JESD78、Class IIによる)
- JESD22を上回るESD保護能力
- 2500V人体モデル
- 1500Vデバイス帯電モデル
アプリケーション
- 低速またはノイズの多い入力信号を排除
- 駆動インジケータLEDまたはブザー
- 機械スイッチのデバウンシング
- 汎用I/Oレベルシフティング
- プッシュプルレベルシフティング(UART、SPI、JTAG、その他)
データシート
機能ブロック図
公開: 2021-07-13
| 更新済み: 2022-04-28

