Texas Instruments UCC12050EVM-022評価モジュール
Texas Instruments UCC12050EVM-022評価モジュールを使用すると設計者は、UCC12050DVEの性能特性と能力を評価できます。UCC12050DVEは、高絶縁電圧DC/DCコンバータで、十分に安定化が図られた供給電圧を必要とする絶縁回路への効率的な絶縁電力供給を実現するように設計されています。UCC12050EVM-022評価モジュールは、イネーブル/ディスエーブルを始めとするUCC12050DVEの機能の試験を実施し、デバイスを外部クロック源と同期させ、外部クロックの障害を検出し、利用可能な出力電圧の間で選択します。特徴
- 利用可能なすべての出力電圧選択を簡単に検証
- 正確なリップルおよび過渡応答波形のための試験ポイント
- 定格された絶縁とEMI性能のための適切なボードレイアウトの用例を実現するEVMレイアウト
- 高効率、最大500mWまでの絶縁型電力伝送
- 設計の試験を実施済であり、UCC12050を検証できるすべてのオプションを提供、わかりやすいユーザーガイドも含まれています。
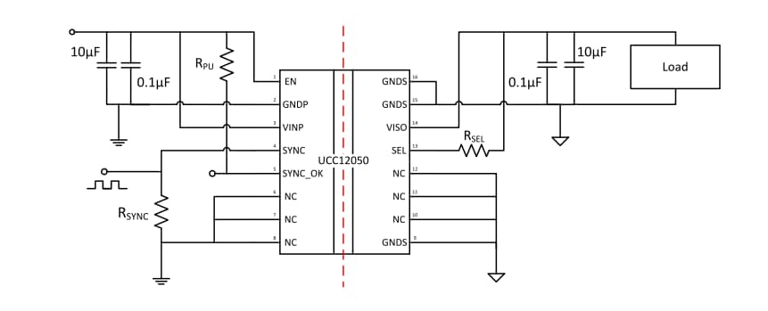
標準アプリケーション回路
レイアウト
公開: 2019-10-18
| 更新済み: 2024-01-05
