Texas Instruments UCC27284/UCC27284-Q1 120Vハーフブリッジ・ゲートドライバ
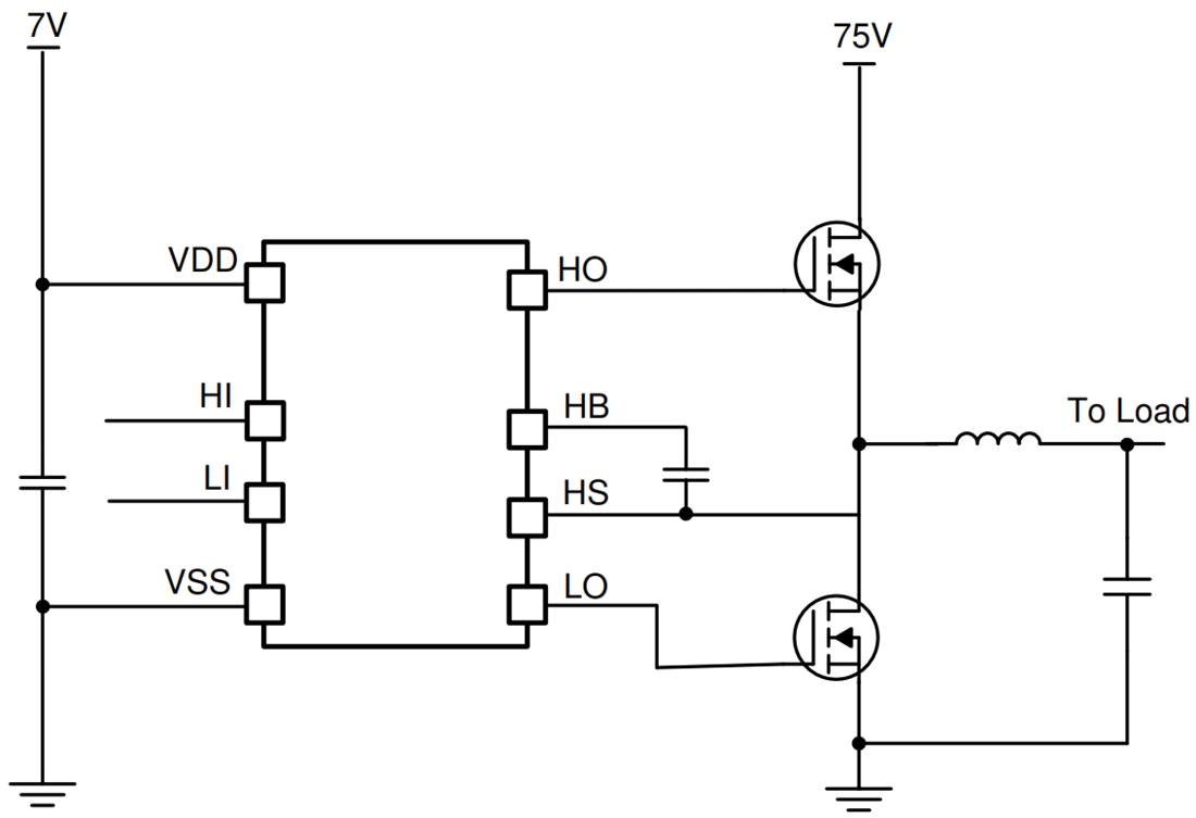
Texas Instruments UCC27284/UCC27284-Q1 120Vハーフブリッジ・ゲートドライバは、堅牢なNチャンネルMOSFETドライバで、最高スイッチノード(HS)電圧定格は100Vです。また、2つのNチャンネルMOSFETを使用してハーフブリッジまたは同期バック構成ベースのトポロジで制御できます。これらのドライバは、低プル-アップおよびプル-ダウン抵抗器とともに、3.5Aピークシンク電流と2.5Aピークソース電流に対応しており、UCC27284/UCC27284-Q1がMOSFET Millerプラトーの遷移中に最小のスイッチング損失で高電力MOSFETを駆動できます。供給電圧の入力が独立しているため、UCC27284/UCC27284-Q1は、アナログとデジタル両方のコントローラと連動させて使用できます。2次側フルブリッジ同期整流といったアプリケーションでは、必要に応じて2つの入力、したがって出力をオーバーラップさせることができます。入力ピンならびにHSピンは大きな負の電圧に耐えることができ、システムの堅牢性が向上します。5V UVLOを使用すると、数多くの高周波数アプリケーションに必要となるさらなる低バイアス電圧でのシステムの動作が可能になり、特定の動作モードでのシステム効率が向上します。小さな伝播遅延と遅延整合仕様によって、デッドタイム要件が最小化され、効率性がさらに向上します。不足電圧ロックアウト(UVLO)は、ハイサイドとローサイドの両方のドライバ段に供給され、VDD電圧が指定された閾値を下回ると出力を強制的にローにします。統合ブートストラップ・ダイオードによって、数多くのアプリケーションで外部ディスクリート・ダイオードの必要性が排除されており、ボード・スペースの節約とシステムコストの削減を実現できます。Texas Instruments UCC27284/UCC27284-Q1は、過酷なシステム環境を対象としたSOICパッケージで販売されています。
特徴
- 下記の結果の通りAEC-Q100認定を取得済(UCC27284-Q1)
- 温度グレード1 (Tj = –40°C~150°C)
- デバイスHBM ESD分類レベル1B
- デバイスCDM ESD分類レベルC3
- ハイおよびローサイド構成で2つのNチャンネルMOSFETを駆動
- 5V標準不足電圧ロックアウト
- 16ns(標準)の伝搬遅延
- 1.8pF負荷をともなう12ns立ち上がり、10ns立ち下がり時間
- 1ns(標準)の遅延整合
- 入力での5V負電圧対応
- HSでの14V負電圧対応
- 3.5Aシンク、2.5Aソース出力電流
- 絶対最大ブート電圧: 120V
- ブートストラップダイオード内蔵
アプリケーション
- 車載DC/DCコンバータ
- 電動パワーステアリング
- オンボード充電器(OBC)
- 集積ベルトスタータ発生器(iBSG)
- 車載HVACコンプレッサモジュール
アプリケーション概略図
公開: 2021-01-12
| 更新済み: 2023-02-01
