TI UCC27289ドライバは、3.5Aのピークシンク電流、2.5Aのピークソース電流、および低いプルアップ・プルダウン抵抗を特長としています。これらの機能は、MOSFETミラープラトー遷移時のスイッチング損失を最小限に抑えながら、大電力MOSFETの駆動をサポートします。UCC27289は、入力が電源電圧に依存しないため、アナログおよびデジタルコントローラと共に使用できま。2つの入力は完全に独立しており、必要に応じて入力を重ね合わせることで、出力を重ねて制御することができます。有効/無効機能は、ドライバの消費電力を削減し、システム内の障害イベントに対応することで、システムの柔軟性を向上させます。
保護機能には、高側および低側ドライバ段階の両方に対する低電圧ロックアウト(UVLO)が含まれており、VDD電圧が指定された閾値を下回ると、出力が強制的に低レベルになります。統合ブートストラップ・ダイオードによって、数多くのアプリケーションで外部ディスクリート・ダイオードの必要性が排除されており、ボード・スペースの節約とシステムコストの削減を実現できます。UCC27289は、過酷な環境での堅牢性やコンパクトなアプリケーションの密度といったシステム要件に対処できるように、複数のパッケージでご用意があります。
特徴
- 2つのNチャネルMOSFETをハイサイド/ローサイド構成で駆動
- DRCパッケージにおける有効/無効機能
- 無効時の小電流消費(7µA)
- 16ns(標準)の伝搬遅延
- 1800pF負荷(標準)をともなう12ns立ち上がり、10ns立ち下がり時間
- 1ns(標準)の遅延整合
- 集積100Vブートストラップダイオード
- 8V標準低電圧ロックアウト
- 入力での絶対最大負電圧対応(–5V)
- HSでの絶対最大負電圧対応(–14V)
- シンク電流:3.5A、ソース出力電流:2.5A
- 絶対最大ブート電圧:120V
- 入力は互いに独立しており、VDD
- 両方のチャンネル向け低電圧ロックアウト
- ジャンクション温度仕様:-40°C~140°C
アプリケーション
- 加盟店ネットワークおよびサーバーPSU
- マーチャント・テレコム整流器
- DC入力BLDCモータードライブ
- ソーラー・マイクロインバータ
- テスト・測定機器
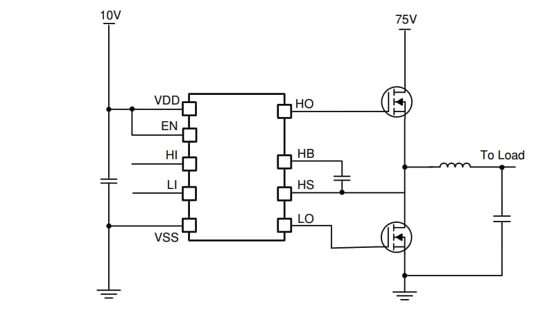
アプリケーション概略図
公開: 2020-12-28
| 更新済み: 2024-10-29

