Texas Instruments UCC27311A/UCC27311A-Q1ハーフブリッジドライバ
Texas Instruments UCC27311A/UCC27311A-Q1 ハーフブリッジ・ドライバは、ハーフブリッジ、または同期降圧構成で2つのNチャンネルMOSFETを絶対最大ブートストラップ電圧120Vで駆動するように設計された堅牢なゲート・ドライバです。ピーク・ソース3.7A、およびピーク・シンク4.5Aの電流能力により、UCC27311A/UCC27311A-Q1は、ミラープラトーを通過する間のスイッチング損失を最小限に抑えながら、大容量パワーMOSFETを駆動することができます。スイッチングノード(HSピン)は負過渡電圧を扱うことができ、浮遊容量や寄生インダクタンスに起因する固有の負電圧から高圧側チャンネルを保護します。入力は電源電圧に依存せず、-10Vおよび+20Vの絶対最大定格に耐えることができます。低圧側ゲートドライバと高圧側ゲートドライバは、互いのオンとオフの間に4ns、それぞれLI入力ピンとHI入力ピンを介して制御されます。オンチップ120V定格ブートストラップ・ダイオードにより、ディスクリートのブートストラップ・ダイオードを追加する必要がなくなります。不足電圧ロックアウト(UVLO)は、低圧側と高圧側の両ドライバに搭載されており、対称的なターンオンとターンオフ動作を実現します。この機能は、駆動電圧が指定されたしきい値を下回ると出力を強制的に低下させます。Texas Instruments UCC27311A-Q1デバイスは、AEC-Q100車載アプリケーション向けに認定されています。
特徴
- ハーフブリッジ構成でNチャンネルMOSFET 2個を駆動
- ジャンクション温度範囲:-40°C~++150°C
- 120VHBピンの絶対最大電圧
- 3.7Aシンク、4.5Aソース出力電流
- VDD 動作範囲:UVLO付きで8V〜17V(絶対最大20V)
- -(28-VDD)V HSピンの絶対最大負過渡耐性(<100nsパルス)
- ブートストラップダイオード内蔵
- -10V~+20V絶対最大入力ピン許容差、電源電圧範囲に依存せず(TTL互換)
- スイッチングパラメータ
- 標準伝搬遅延時間:20ns
- 1,000pF負荷で上昇時間7.2ns、加工時間5.5ns
- 標準遅延マッチング:4ns
- 有効/無効化機能、無効時低消費電流(標準3µA)
アプリケーション
- 太陽光発電オプティマイザとマイクロインバータ
- テレコム用電源
- オンライン、オフラインUPS
- エネルギーストレージシステム
- バッテリ試験装置
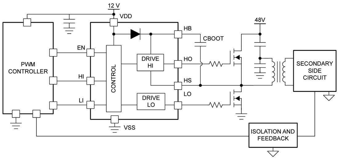
標準的なアプリケーション図
公開: 2024-10-17
| 更新済み: 2025-05-09
