Texas Instruments UCC27614/UCC27614-Q1シングルチャネル・ゲートドライバ
Texas Instruments UCC27614/UCC27614-Q1シングルチャネル・ゲートドライバは、MOSFET、IGBT、SiC、GaNパワー・スイッチを駆動できる高速ローサイド・ゲートドライバです。これらのドライブの特長は、標準的なピーク駆動強度10Aを備え、これによりパワースイッチの立ち上がりと立ち下がりの時間を短縮し、スイッチング損失を低減して効率を高めることです。UCC27614デバイスの小さな伝搬遅延は、デッドタイムの最適化、パルス幅の利用、制御ループの応答、およびシステムの過渡性能を改善することにより、より優れたパワーステージ効率をもたらします。UCC27614-Q1ドライバは、AEC-Q100車載用アプリケーションの認定を受けています。これらのドライバは、ソーラー電源、ハイパワーバッファ、パルス変圧器ドライバ、通信用スイッチモード電源に使用されています。UCC27614は入力で-10Vを扱うことができるため、適度なグランドバウンスのシステムで堅牢性が向上します。入力は電源電圧に依存せず、ほとんどのコントローラ出力に接続できるため、柔軟な制御が可能です。別のイネーブル信号を使用すると、主な制御ロジックとは独立して電力段を制御できます。このゲートドライバは、システムに障害がある(パワートレインの電源をオフにする必要がある)場合、電力段をすぐにシャットダウンできます。また、イネーブル機能によって、システムの堅牢性が向上します。多くの高周波数スイッチング電源は、パワーデバイスのゲートでの高周波数ノイズを示しており、ゲートドライバの出力ピンに注入してドライバを誤動作させる可能性があります。UCC27614は、過渡的な逆電流と逆電圧に対応しているため、このような条件下でも優れた性能を発揮します。
強力な内部プルダウンMOSFETは、VDD電圧が指定のUVLOスレッショルドを下回ると出力をLowに保持します。このアクティブ・プルダウン機能により、システムの堅牢性がさらに向上します。UCC27614のデバイスの10A駆動電流で、2mm × 2mmパッケージに収められており、システム電力密度が向上しています。また、この小型パッケージによって、最適なゲートドライバの配置とレイアウトの改善が可能です。
特徴
- 標準10Aシンク10Aソース出力電流
- 入力およびイネーブルピンは-10Vまで耐えることができます。
- 絶対最大VDD電圧: 30V
- 広いVDD動作範囲: 4.5V~26V、UVLO搭載
- 2mmx2mm SON8パッケージでご用意
- 標準17.5ns伝播遅延
- SOIC8パッケージに収められたEN(イネーブル)ピン
- IN-ピンは、イネーブル/ディセーブル機能に使用可能
- VDD独立入力スレッショルド(TTL互換性)
- 反転または非反転ドライバとして使用可能
- 動作接合部温度範囲:–40°C~150°C
アプリケーション
- テレコムスイッチモード電源
- 力率補正(PFC)回路
- ソーラー電源
- モータドライブ
- 高周波数ラインドライバ
- パルストランスドライバ
- 高電力バッファ
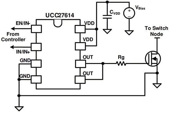
アプリケーション概略図
公開: 2022-04-11
| 更新済み: 2025-05-15
