Texas Instruments UCC27712/UCC27712-Q1ハイサイド/ローサイド・ゲート・ドライバ
Texas Instruments UCC27712/UCC27712-Q1ハイサイド・ローサイ・ドゲートドライバーは、1.8Aソース、2.8Aシンク電流が備わった620Vゲートドライバで、パワーMOSFETまたはIGBTの駆動を目的としています。推奨されるVDD動作電圧は、IGBTで10V~20V、パワーMOSFETで10V~17Vです。UCC27712/UCC27712-Q1には、入力をオープンにしたままにしたり、最小入力パルス幅仕様が満たされていない場合、出力がローのままで維持される保護機能が含まれています。インターロックとデッドタイム機能によって、両方の出力が同時にオンになることが防止されます。また、10V~20Vの広範なバイアス電源範囲を受け入れ、VDDおよびHBバイアス供給の両方に対するUVLO保護が備わっています。UCC27712-Q1は、車載用アプリケーションを対象としたAEC-Q100認定を受けています。特徴
- ハイサイドおよびローサイド構成
- 出力インターロックおよび150nsデッドタイムが備わったデュアル入力
- HBピンで最大620V、700V絶対最大動作
- 10V~20V VDD推奨範囲
- ピーク出力電流2.8Aシンク、1.8Aソース
- 50V/nsのdV/dt耐性
- HSピンで最大–11Vのロジック動作
- –5V入力での負の電圧許容差
- 大きな負の過渡安全動作領域
- 両チャンネルを対象としたUVLO保護
- 小さな伝搬遅延(100ns Typ.)
- 遅延マッチング(12ns Typ.)
- ブーストラップ動作用に設計された浮動チャンネル
- 低い自己消費電流
- TTL/CMOS互換入力
- 業界標準SOIC-8パッケージ
- –40°C~+125°Cの温度範囲に指定されているすべてのパラメータ
アプリケーション
- モータ駆動(ステッピングモータ、HVAC、ファン、電力ツール、ロボット工学、ドローン)
- オフラインAC/DC電源のブリッジコンバータ
- サーバ、テレコム、IT、工業インフラ用の高密度スイッチングモード電源
- DC-ACインバータ
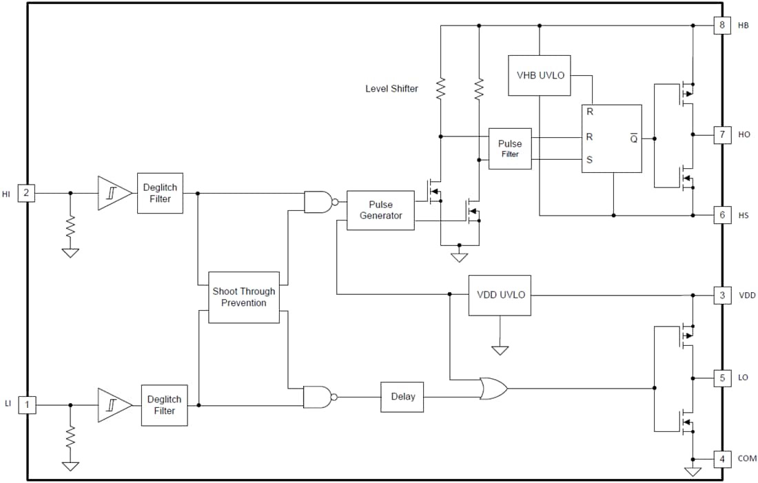
機能ブロック図
公開: 2017-09-15
| 更新済み: 2022-06-07
