Texas Instruments UCD7100低圧側MOSFETドライバ
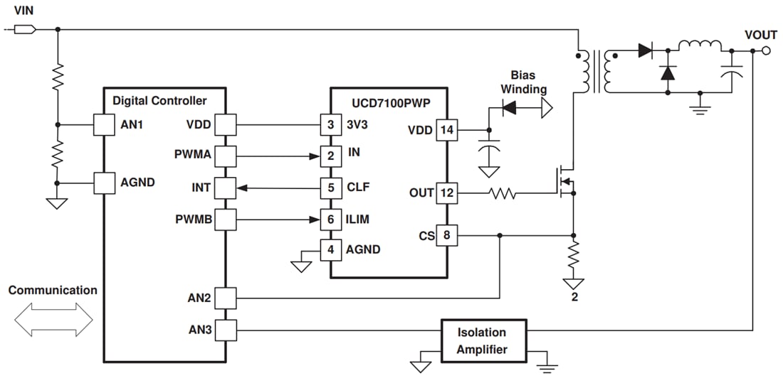
Texas Instruments UCD7100低圧側MOSFETドライバは、高速局部電流制限保護を必要としデジタル制御技術を採用しているアプリケーションを対象としたデジタル制御互換ドライバです。UCD7100は、低圧側±4A大電流MOSFETゲートドライバです。シングルエンドトポロジの電力段にインターフェイス接続するためのUCD9110またはUCD9501といったデジタル電源コントローラを実現できます。Texas Instruments UCD7100は、閾値をプログラミングが可能なこと、およびホストコントローラが監視できるデジタル出力電流制限フラグを活用し、サイクルごとの電流制限機能を実現します。ドライバに高速25nsのサイクルごとの電流制限保護機能を搭載しているため、デジタルシステムが時間内に障害状況に応答しないという万一の事象が発生した場合にも電力段をオフにできます。特徴
- 調整可能な電流制限保護
- 3.3V、10mA内部レギュレータ
- DSP/µC互換入力
- 単一の±4A TrueDrive™大電流ドライバ
- 10ns(標準)立ち上がりおよび立ち下がり時間(負荷2.2nF)
- 25ns入力-to-出力伝播遅延
- 25ns電流センス-出力間遅延
- プログラマブル電流制限
- デジタル出力電流制限フラグ
- 4.5V~15V電源電圧範囲
- 定格範囲–40°C~105°C
- 無鉛パッケージ
アプリケーション
- デジタル制御電源
- DC/DCコンバータ
- モータコントローラ
- ライン・ドライバ
簡略図
公開: 2022-02-01
| 更新済み: 2022-03-11
