Toshiba TB67B054TGブラシレスモーターコントローラ
Toshiba TB67B054TGブラシレスモーターコントローラは、PWM3相全波デバイスです。このブラシレスモーターコントローラは、ほとんどのモーターファンの3相ブラシレスDCモーターに対応するように開発されました。TB67B054TGモーターコントローラは、PWM生成に必要なキャリア周波数を提供する三角形波ジェネレータを搭載しています。このモーターコントローラは、標準供給電圧15V、発振周波数4.5MHzで動作します。TB67B054TGモーターコントローラは、6V~16.5Vの供給電圧範囲で動作します。また、このモーターコントローラは、内部電圧レギュレータ回路も特徴で、5V出力および30mA出力電流が備わっています。特徴
- 正弦波PWM制御
- 三角形波発生器
- 耳角度制御(32ステップで0°〜58°)
- 電流制限入力ピン
- 内部電圧レギュレータ回路
仕様
- 標準動作供給電圧15V
- 動作供給電圧6V~16.5V
- 発振周波数3MHz~6MHz
- 最大パワー損失4.1W
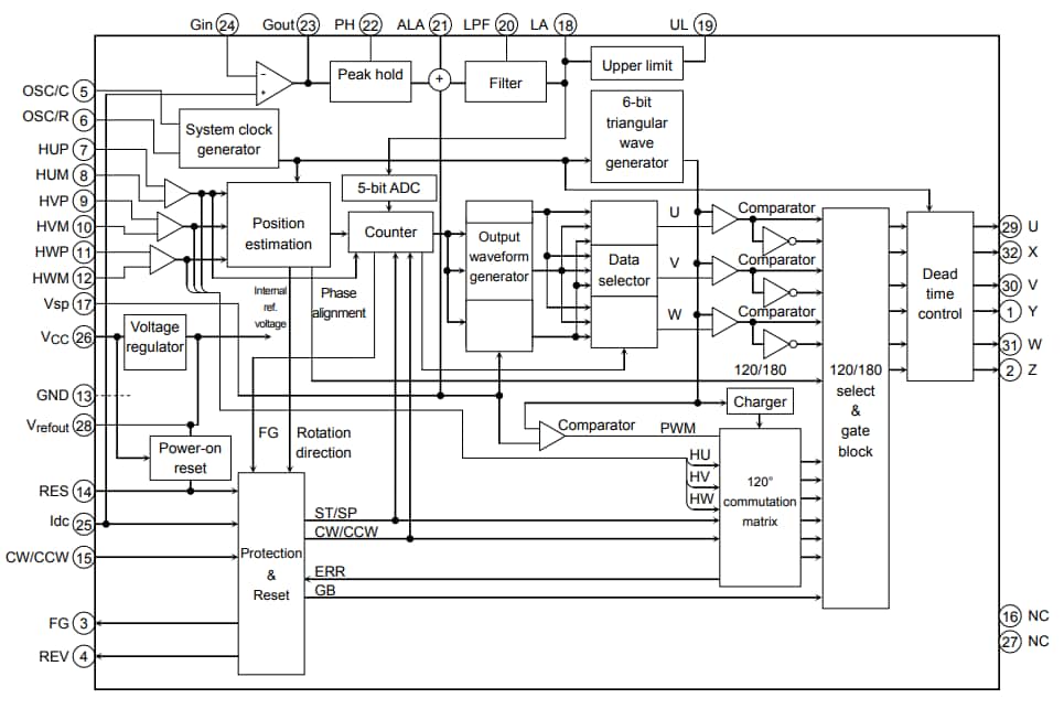
TB67B054TGブラシレスモーターコントローラのブロック図
公開: 2018-04-18
| 更新済み: 2023-02-13
