Toshiba TLP5795H赤外線LED&フォトICフォトカプラ
東芝 (Toshiba) TLP5795H赤外線LED &フォトICフォトカプラは、産業およびパワーエレクトロニクスアプリケーションでの堅牢で効率的な信号絶縁を目的に設計された高性能フォトカプラです。コンパクトなSO6Lパッケージに格納されている東芝 (Toshiba) TLP5795Hは、100kV/μs(最小)の高同相過渡電圧耐性(CMTI)が特徴で、15V~30Vの広い供給電圧範囲で動作し、過酷な電気環境での使用に最適です。高速光検出器とアンプが統合されており、標準的な伝搬遅延が150nsの高速スイッチングが可能になります。絶縁電圧が5000VRMSと高く、UL1577やEN60747-5-5などの安全規格に適合しており、IGBT回路とMOSFET回路のゲート駆動、インバータ制御、モータドライブや電源の信号伝送に最適です。東芝 (Toshiba) TLP5795Hフォトカプラは低電力消費と高い信頼性により、堅牢な電気的絶縁を必要とする、スペースに制約のある最新の設計に最適です。特徴
- バッファロジックタイプ(トーテムポール出力)
- 標準出力ピーク電流:-4.5A/+ 5.3A
- 最大供給電流3,0mA
- 電源電圧範囲: 15V~30V
- 最大入力閾値電流:4mA
- 最大伝搬遅延時間:150ns
- 最低コモンモード過渡耐性:± 35kV/µs
- 最低絶縁電圧:5000V RMS
- 動作温度範囲: -40°C~+125°C
- 安全規格
- UL 1577、File No. E67349によるUL認定
- CSA部品受け入れサービス No. 5A File No. E67349によるcUL認定
- EN IEC 60747-5-5, EN IEC 62368-1によるVDE承認
- GB4943.1タイ工場によるCQC承認
アプリケーション
- 産業インバータ
- MOSFETゲートドライバ
- IGBTゲートドライバ
- 太陽光発電(PV)パワーコンディショニングシステム
- エアコンインバータ
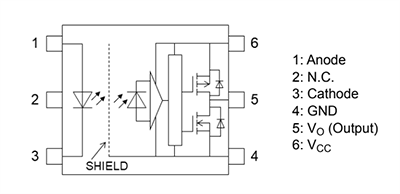
ピン割当
内部回路
注: 1µFバイパスコンデンサは、ピン6とピン4の間に接続する必要があります。
出力段MOSFETのボディ ダイオードに電流を流すことは推奨されません。
公開: 2025-05-29
| 更新済み: 2025-06-09
