TRACO Power TEN 60WIR、高耐久性60W DC/DCコンバータ
TRACO Power TEN 60WIRシリーズは、シングルおよびデュアル出力の高耐久性60W DC/DCコンバータで、極めて広い4:1の入力電圧範囲を備えた鉄道および産業用アプリケーション向けに設計されています。本シリーズは、電磁干渉、衝撃/振動、熱衝撃に対する耐性が向上しています。標準バージョンには、専用に設計された組立済ヒートシンクが付属し、50.8mm x 40.7mm x 25.5mmのパッケージ(2" x 1.6")に収められており、ディレーティングなしで-40°C~+70°Cの熱性能を拡張します。TRACO Power TEN 60WIRには、最大92%の高い効率性が備わっており、鉄道および輸送システムを対象としたEN 50155およびEN 61373規格、ならびにIEC/EN/UL 62368-1規格の承認を受けています。特徴
- ヒートシンク付き標準在庫モデル:50.8mm x 40.7mm x 25.5mm(2" x1.6")
- コンパクトな50.8mm x 25.4mm(2" x 1")パッケージ(ヒートシンクなし)
- ウルトラワイド4:1入力電圧範囲
- 9VDC~36VDC、18VDC~75VDC、または36VDC~160VDC
- 鉄道を対象としたEN 50155およびEN 61373の承認済み
- EN 45545-2に準じた火災動作の認定済
- IEC/EN/UL 62368-1認定済
- 動作温度範囲:-40°C~+90°C
- 3000VDC I/O絶縁
- 高効率最高92%
- 不足電圧ロックアウト回路
- 調整可能な出力電圧とリモートオン/オフ
- 3年間保証
アプリケーション
- Railway
- Transportation
ビデオ
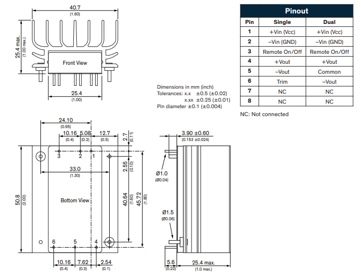
外形の寸法とピン配列
公開: 2020-07-21
| 更新済み: 2024-11-07
