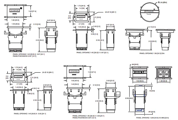
Trumeter 731 Series Low Power DC Hour Meters
Trumeter 731 Series Low Power DC Hour Meters are electromechanical, quartz-controlled meters for high reliability and accuracy. The DC hour meters feature a 0.01% accuracy rating with various voltage inputs. The 731 series provides a 7-figure display within an IP65-rated black polymer case material. The Trumeter 731 Series Low Power DC Hour Meters are available in three standard industry housings, including two-hole rectangular, flush round, and flush rectangular. The meters operate with a 0.4W DC power rating and a 10VDC to 28VDC voltage range. The 731 series are non-reset meters and CE compliant, UKCA, and UL/cUL recognized for DC. The meters are ideal for applications requiring office, test, and medical equipment.Features
- Electromechanical hour meters
- 7-figure display
- Various voltage inputs
- Quartz accuracy (DC)
- Large 3.6mm figure height
- Standard industry housing
- Two-hole rectangular
- Flush round
- Flush rectangular
- CE, UKCA compliant
- UL/cUL recognized for DC
Applications
- Office equipment
- Test equipment
- Medical equipment
Specifications
- Non-reset
- 10VDC to 28VDC voltage range
- 0.4W DC power rating
- Clip or mounting-hole mounting styles
- 6.3mm spade terminals (DC) termination style
- Black polymer case material
- IP65-rated front panel
- -30°C to +82°C operating temperature range
- -40°C to +85°C storage temperature range
Dimensions (mm)
公開: 2024-03-07
| 更新済み: 2024-03-25
