Optek / TT Electronics OVSRRGBCC3 LEDs
Optek / TT electronics OVSRRGBCC3 and OVSRRGBCC3TM LEDs feature full-color RGB in a miniature surface-mount package with a 150° viewing angle. These compact 1204 devices provide the option to mount the device as a top-view (OVSRRGBCC3TM) or right-angle, side-view (OVSRRGBCC3) LED. They are compatible with automatic placement equipment as well as with infrared and vapor phase reflow solder processes. Optek / TT electronics OVSRRGBCC3 and OVSRRGBCC3TM LEDs can be used on smaller boards with a higher packing density and are ideal for handheld applications.Features
- Full-color RGB
- Top-view or side-view mounting options
- Compatible with automatic placement equipment
- Compatible with infrared and vapor phase reflow solder process
- 150° viewing angle
- 5V reverse voltage
- -40°C to +85°C operating temperature range
- Moisture Sensitivity Level 3 (IPC/JEDEC J-STD-020C)
Applications
- Automotive backlighting for dashboard and switches
- Telecommunication backlighting for displays
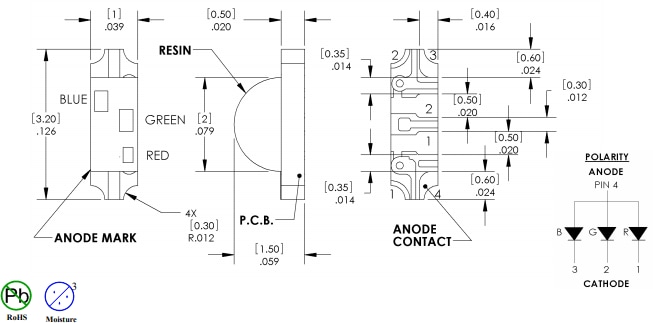
Package Outline
公開: 2014-03-10
| 更新済み: 2022-03-11
