u-blox RCB-F9Tタイミングボード
u-blox RCB-F9Tタイミングボードは、業界標準のコネクタをZED-F9Tタイミングモジュールにアクセスできるように設計されています。これらのボードは、外部アクティブ・マルチバンドGNSSアンテナを対象としたSMBアンテナコネクタおよび5V電源回路が特徴です。RCB-F9Tボードは、8ピン2mmピッチピンヘッダを実現しており、ボード、UART通信、2つの個別に構成できるタイムパルス信号の給電が備わっています。これらのボードは、2.7V~3.6Vの供給電圧範囲、-40°C~85°Cの動作温度範囲、3.3Vで100mAの電源電流(ICC)で動作します。特徴
- マルチバンドGNSSレシーバの種類
- GPS、Galileo、GLONASS、BeiDou コンステレーションをサポート
- 差動タイミングモード
- 擬似Zenith衛星システム(QZSS)をサポート
- 衛星ベースの拡張システム(SBAS)をサポート
- 放送ナビゲーションデータと衛星信号測定
- サポートされているプロトコル:
- UBX
- NMEA 4.10
- RTCM 3.3
仕様
- 8ピン2mmピッチピンヘッダ
- 電源電圧範囲: 2.7V~3.6V
- -40°C~85°Cの動作温度範囲
- 3.3Vで100mAの電源電流(ICC)
- 0.25Hz~25MHzの設定可能な時間パルス信号周波数範囲
- ±4ns時間パルスジッタ
ブロック図
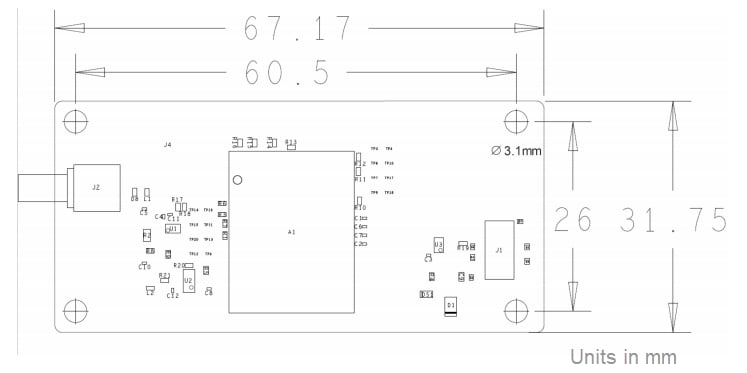
機械図面
公開: 2021-08-02
| 更新済み: 2022-03-11
