Vishay / Siliconix DG406/DG407 CMOSアナログマルチプレクサ
Vishay/Siliconix DG406およびDG407高性能CMOSアナログマルチプレクサは、高速データ収集、オーディオ信号スイッチング/ルーティング、ATEシステム、航空電子工学に最適です。高性能と低電力損失によって、これらのデバイスはバッテリ駆動およびリモート計測アプリケーションに適しています。DG406は、16チャンネル・シングルエンド・アナログマルチプレクサで、16入力のうちの1つを4ビットバイナリアドレスによって決定される共通出力に接続するように設計されています。DG407は、8つの差動入力のうちの1つを、共通の差動出力に選択します。ブレーク・ビフォア・メーク・スイッチング動作は、入力の瞬間的な短絡から保護します。オンチャンネルは、両方向で同等に良好に電流を伝導します。各チャンネルは、オフ状態の電源レールまでの電圧を遮断します。イネーブル(EN)機能によってユーザーは、複数のデバイスをスタッキングするために、マルチプレクサ/デマルチプレクサをすべてのスイッチにリセットできます。すべての制御入力、アドレス(Ax)、イネーブル(EN)は、指定された動作温度範囲全体でTTLとの互換性があります。
44VシリコンゲートCMOSプロセスで設計された絶対最大電圧定格は44Vに拡張されており、±20V電源での動作が可能になります。さらに、単電源動作(12V)が可能になります。エピタキシャル層によって、ラッチアップを防止します。
特徴
- より高度な精度
- グリッチの低減
- 改善されたデータスループット
- 低0.2mW電力、電力消費の削減
- 強化された耐久性
- 単供給能力、44V最高供給定格
- ±5V~±20Vの広い供給範囲
- 50Ωの低オン抵抗[RDS (on)]
- 15pCの低電荷注入
- 高速遷移時間(tTRANS): 200ns
- 30mA電流(任意の端子)
- 動作温度範囲:-40°C~+85°C
- 28ピンPLCCまたはワイドボディSOICパッケージオプション
- ハロゲンフリー
- 無鉛およびRoHS準拠製品
アプリケーション
- データ収集システム
- オーディオ信号ルーティング
- 医療用計測機器
- ATEシステム
- バッテリ駆動システム
- 高信頼性システム
- 単電源システム
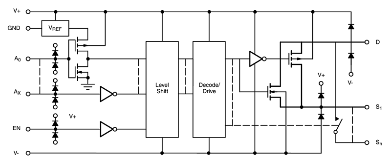
ブロック図/ピン構成
回路図
公開: 2024-11-23
| 更新済み: 2024-12-04
