Vishay / Dale ICM2020大電流コモンモードチョーク
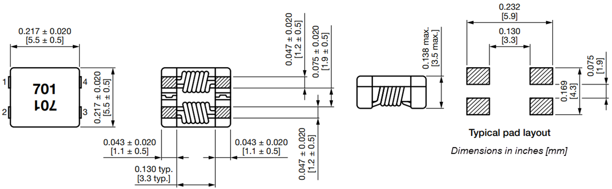
Vishay/Dale ICM2020大電流コモンモードチョークは、巻線フェライトコモンモードチョークで、DC 動作電圧は80Vです。最小絶縁抵抗は10MΩで、-40°C~+125°Cの温度範囲で動作します。ICM2020シリーズコモンモードインピーダンスの範囲は、10MHz で50Ω~300Ω(typ.)、100MHz で100Ω~1400Ω(typ.)です。RoHS準拠、無鉛、ハロゲンフリーで、5.5mm x 5.5mm x 3.5mmの SMDパッケージが特徴です。Vishay/Dale ICM2020チョークは、LCD、DC/DC電源、照明ドライバ、ノイズ抑制とフィルタリング、バッテリ駆動デバイス用に最適です。特徴
- 巻線フェライトコモンモードチョーク
- (最小)絶縁抵抗:10MΩ
- コモンモードインピーダンス
- 10MHzで50Ω~300Ω(typ.)
- 100MHzで100Ω~1400Ω(typ.)
- 5.5mm x 5.5mm x 3.5mm SMDパッケージ
- 動作温度範囲:-40°C~+125°C
- RoHS準拠
- リードフリー、ハロゲンフリー
アプリケーション
- DC/DC電源
- LCD
- ノイズ抑制とフィルタリング
- 照明ドライバ
- バッテリ駆動デバイス
回路図
寸法
公開: 2024-11-22
| 更新済み: 2024-12-12
