Vishay MGDT小型プレーナー・ゲート・ドライブ・トランスフォーマ
Vishay MGDT小型プレーナー・ゲート・ドライブ・トランスフォーマ は、表面実装またはスルーホール端子でご用意があり、ボードスペースの占有率が40%削減されており、従来のボビンおよびトロイダル巻線技術より33%薄型になっています。これらは、MOSFETおよびIGBTの両方のゲート電力ならびにタイミング信号を同時に発信します。これらのトランスは、最大1200Vのバス上でMOSFET/IGBTを駆動します。また、優れた立ち上がり時間、オーバーシュート、ピーク電流特性を実現するように設計されています。MGDTランスフォーマは薄型平面パッケージになっており、マルチバンド動作を対象としています。これらのトランスには、最小8mmの沿面距離およびドライブゲートからのクリアランスが備わっています。これらは、高過渡電圧に耐えることができます。LMおよびSMバージョンのMGDTランスフォーマは、RoHSに準拠しています。MGDTランスフォーマは、スルーホールおよび表面実装端子を備えています。これらのオーディオおよび信号トランスは、-55℃~125℃の温度範囲で動作し、-55℃~130°Cで保管できます。特徴
- MOSFET/IGBT駆動電力とタイミング信号を同時に供給
- 最大1200Vのバス上でハイサイドMOSFET/IGBTを直接駆動
- 優れた立ち上がり時間、オーバーシュート、ピーク電流特性
- 最低8mmの沿面距離、ドライブからゲートまでのクリアランス
- 薄型平面パッケージ
- LFとSMバージョンの両方ともRoHSに準拠
仕様
- 動作周波数範囲: 100kHz~500kHz
- 連続動作温度範囲: -55°C~125°C
- 耐電圧
- ドライブ・ツー・ゲート電圧に対して3750VAC
- ゲート・ツー・ゲート電圧に対して2500VAC
その他の資料
MGDT小型プレーナー・ゲート・ドライブ・トランスフォーマのインフォグラフ
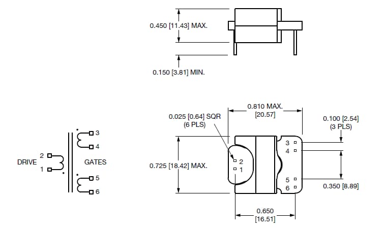
MGDTシリーズの機械図面
公開: 2018-03-20
| 更新済み: 2023-09-05
