特徴
- VOM1271T:
- IF=1.0mAで標準8.4Vの開回路電圧
- 標準15µAの短絡電流
- 絶縁電圧3750VRMS
- ターンオン時間53μs、ターンオフ時間24μs
- 出力側にVCC なし
- 太陽光発電セルによってのみ生成されるゲート電圧
- 小型SOP-4パッケージ
- 車載用AEC-Q102認定オプション
- VOD3120AB-T:
- ピーク出力電流: 最小2.5A
- 15V ~ 30Vの動作電圧
- 絶縁電圧 :5300VRMS
- ターンオン時間35μs、ターンオフ時間150μs
- VO1263AACTR:
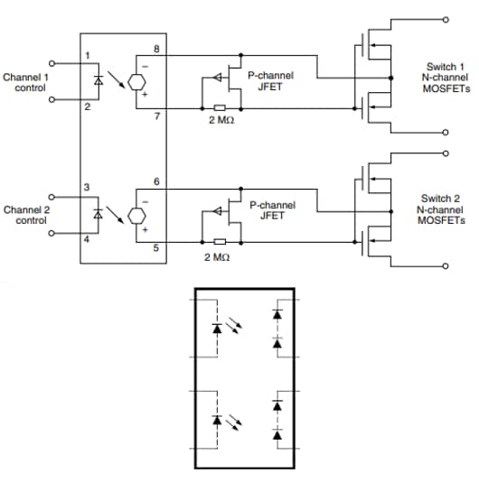
- デュアルチャンネル
- IFで標準14.7Vの開回路電圧= 10mA
- IFで標準15.2Vの開回路電圧= 30mA
- IFで標準15µAの短絡電流= 10mA
- 絶縁電圧 :5300VRMS
- ターンオン時間35μs、ターンオフ時間150μs
ブロック図
VOM1271Tのアプリケーション図
VO1263AACTRのアプリケーション図
VOD3120AB-Tのアプリケーション図
公開: 2023-08-18
| 更新済み: 2024-08-13

