特徴
- 整流器と TRANSZORB TVSを対象とした車載用ハイブリッドソリューション
- 酸化物プレーナ型チップ接合
- J-STD-020、MSLレベル1に 適合、LF最大ピーク260°C
- AEC-Q101準拠でご用意あり
- 材料分類、 コンプライアンスの定義
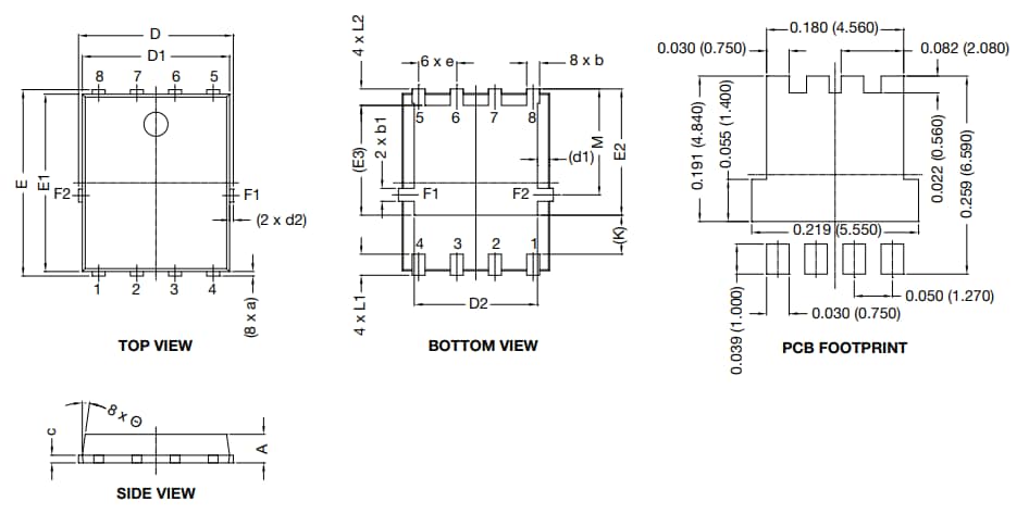
- FlatPAK 5x6パッケージ
- 共通カソード回路構成
- 動作接合部温度範囲:-55º~+175ºC
- 標準整流器
- IF (AV) 3A
- VRRM 600V
- IFSM 40A
- VF @ IF = 3A (TJ = 125°C) 0.86V
- 過渡電圧サプレッサ
- VBR 27V
- VWM 23.1V
- PPPM 200W
アプリケーション
- センサユニットの二次保護
- 分散エアバッグ モジュール
- パワー ディストリビュータの下での低消費電力DC/DCコンバータ
ビデオ
パッケージ寸法
その他の資料
公開: 2023-01-19
| 更新済み: 2024-04-02

