Vishay General Semiconductor SE40CLJ Surface-Mount High Voltage Rectifiers

Vishay General Semiconductor SE40CLJ Surface-Mount High Voltage Rectifiers are designed for demanding power conversion applications that require high current handling, efficient thermal performance, and reliable operation. The Vishay SE40CLJ rectifiers feature a maximum average forward current of 40A and a repetitive peak reverse voltage rating of 600V, suitable for high‑power rectification tasks. Engineered with an oxide planar chip junction and housed in the eCool SMPD package, the SE40CLJ supports top‑side cooling and offers a creepage distance of at least 4.3mm, enhancing safety in high‑voltage environments.

The Vishay SE40CLJ rectifiers deliver low forward voltage drop (typically 0.98V at 40A and +25°C) and maintain low leakage currents, with only 5µA at rated reverse voltage under standard test conditions. These devices also provide fast recovery performance with a typical reverse recovery time of 0.28µs, enabling efficient switching in high-frequency circuits. Robust thermal characteristics include a junction‑to‑case thermal resistance of 0.7°C/W and an operating junction temperature range from -55°C to +175°C, supporting reliable use in harsh environments. Typical applications include onboard chargers (OBCs), charging stations, and bridge rectifier functions in power electronics systems.

Features

  • Top side cool
  • Ideal for automated placement
  • 4.3mm minimum creepage distance
  • Oxide planar chip junction
  • Low forward voltage drop
  • AEC-Q101 qualified, automotive-grade (P/NHM3)
  • Meets Moisture Sensitivity Level (MSL) 1 per J-STD-020, LF maximum peak of +260°C
  • Lead-free, Halogen-free, and RoHS-compliant

Applications

  • Onboard chargers (OBCs)
  • Charging stations
  • Bridge function

Specifications

  • 600V maximum repetitive peak reverse voltage
  • 8.4A to 40A maximum DC forward current range
  • 405A maximum peak forward surge current, 8.3ms single half sine-wave superimposed on the rated load
  • 1.1V maximum instantaneous forward voltage
  • 5μA to 300μA maximum reverse current range
  • 0.28μs typical reverse recovery time
  • 188pF typical junction capacitance
  • -55°C to +175°C operating junction temperature range
  • 0.7°C/W to 24.5°C/W typical thermal resistance range
  • Mechanical
    • eCool SMPD package
    • UL 94V-0 flammability-rated molding compound
    • Matte tin-plated leads, solderable per J-STD-002 and JESD 22-B102
    • M3 and HM3 suffix meets JESD 201 class 2 whisker test

Schematic

Schematic - Vishay General Semiconductor SE40CLJ Surface-Mount High Voltage Rectifiers

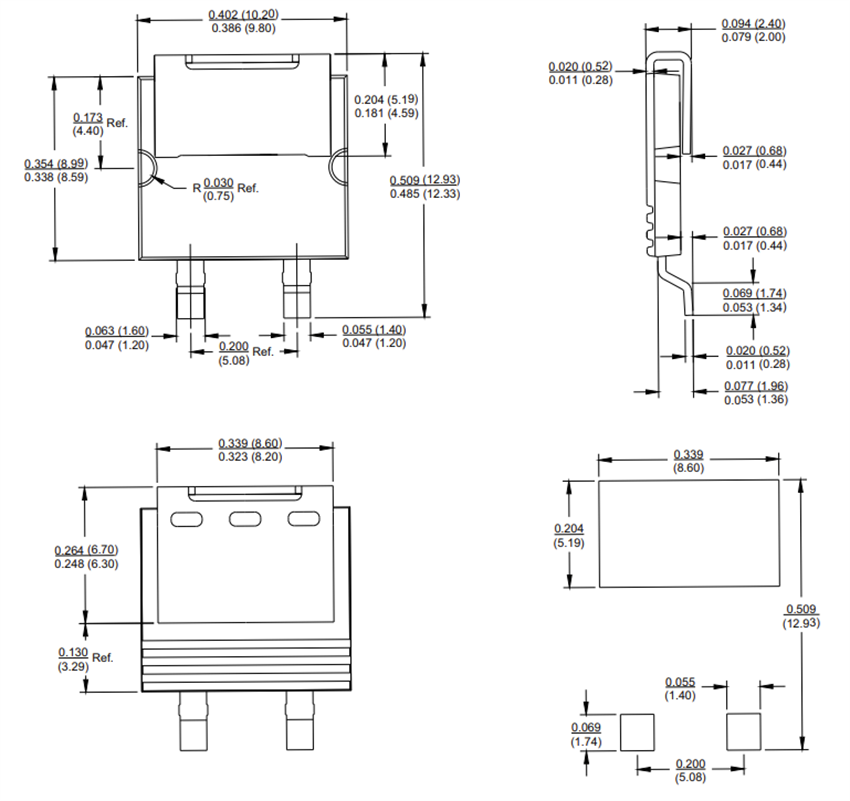
Dimensions: IN (mm)

Mechanical Drawing - Vishay General Semiconductor SE40CLJ Surface-Mount High Voltage Rectifiers
公開: 2026-01-29 | 更新済み: 2026-02-10