Vishay Semiconductors Gen 5 600Vハイパーファーストおよびウルトラファースト整流器は、PFC、EV/HEVバッテリ充電ステーション、ソーラー・インバータのブースター段、UPSアプリケーションの出力整流段階の効率性を向上させるように特別設計されています。これらのデバイスは、MOSFETまたは高速IGBTで動作するように完璧にマッチングされています。
特徴
- 超高速かつ最適化されたQrr
- ベストインクラスの順方向電圧降下とスイッチング損失トレードオフ
- 高速動作用に最適化済
- 175°Cの最大接合部動作温度
- 電気的に絶縁されたベース板
- 端末間の大きな沿面距離
- 簡素化された機械設計、迅速な組立
- 工業水準に合わせて設計、認定済
- UL申請中
アプリケーション
- EV/HEVバッテリチャージステーションのPFCおよび出力整流段
- ソーラーインバータのブースター段
- UPS
回路構成
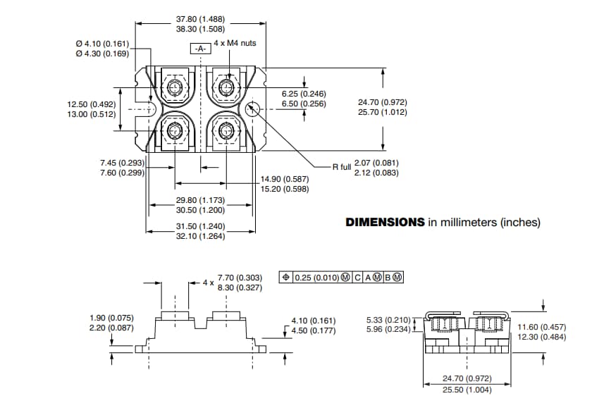
寸法
公開: 2022-09-30
| 更新済み: 2022-10-11
