Vishay Semiconductors SiC660 60A VRPower®統合電力段
Vishay Semiconductors SiC660 60A VRPower®統合電力段は、同期バックアプリケーション用に設計された高周波統合電力段です。Vishay Semiconductors SiC660は、最小限のシャットダウン電流で高電流、効率性、電力密度を実現しています。Vishayのコンパクトな5mm x 5mm MLPパッケージに格納されており、位相あたり最大60Aの連続電流を供給する電圧レギュレータに対応しています。Vishayの高度なTrenchFET® 技術で構築された内部パワーMOSFETは、業界をリードする性能のためのスイッチング損失と導通損失を最小限に抑えます。特徴
- 熱強化型PowerPAK® MLP55-31Lパッケージ
- TrenchFET技術およびローサイドMOSFET(統合ショットキーダイオード搭載)
- 統合、低インピーダンス、ブートストラップ・スイッチ
- 12V入力段向けに最適化されたパワーMOSFET
- 低シャットダウン供給電流(5V、3μA)でPS4モード軽負荷要件をサポート
- 軽負荷効率の向上を目的としたゼロ電流検出
- 5Vおよび3.3V PWMロジック(トライステートおよびホールドオフタイマ搭載)
- 5V DSBL#、ZCD _ EN #ロジック(PS4状態サポートあり)
- 高周波動作(最大2MHz)
- 60A以上の連続電流、70Aピーク(10ms)、100Aピーク(10μs)を供給
- 過電流保護
- 温度過昇フラグ
- 過熱保護
- 低電圧ロックアウト保護
- ハイサイドMOSFETショート検出
- 効果的なモニタリングとレポート
- 正確な温度レポート
- 警告と障害報告フラグ
アプリケーション
- コンピューティング、グラフィックカード、メモリ用の多相VRD
- Intel coreプロセッサ電源供給
- VCORE 、VGRAPHICS 、VSYSTEM AGENT 、VCCGI
- 最大16Vレール入力DC/DC VRモジュール
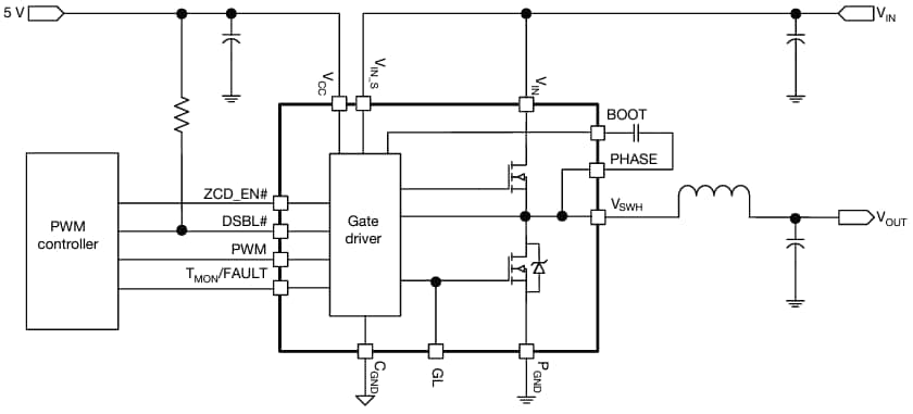
代表的なアプリケーション
公開: 2024-11-19
| 更新済み: 2025-01-01
