特徴
- 電流損失が極めて少ない
- 高周波数動作
- MOSFETのゼロ ターンオフ テール電流
- 通常オフのフェイルセーフ デバイス動作
- 窒化アルミニウム基板
- オプションの事前に適用されたサーマルインターフェイス材質
- コンパクトで軽量なシステムを実現
- 1500VDCシステムの2レベル変換が可能
- SICの低スイッチング損失と導通損失によるシステム効率の向上
- 熱要件とシステムコストの削減
- 第4世代オプションあり
アプリケーション
- DC高速充電器
- エネルギー貯蔵システム
- 高効率コンバータ/インバータ
- 再生可能エネルギー
- スマートグリッド/グリッドタイド分散発電
- ソーラーインバータ
ビデオ
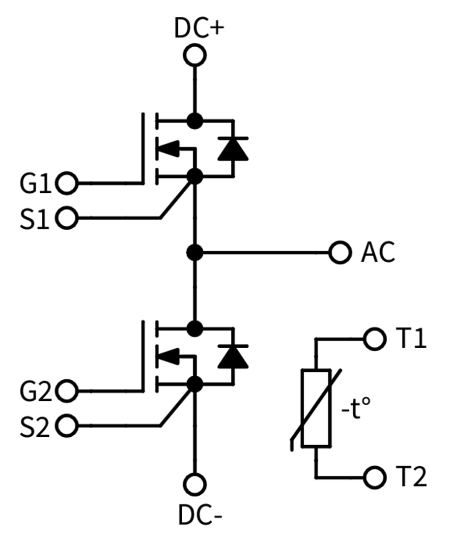
回路図
その他のリソース
View Results ( 6 ) Page
| 部品番号 | データシート | 説明 |
|---|---|---|
| CAB5R0A23GM4T | ![]() |
ディスクリート半導体モジュール SiC, Module, 5mohm, 2300V, 48 mm, AlN GM4, Half-Bridge, Industrial, Pre-Applied TIM |
| CAB6R0A23GM4 | ![]() |
ディスクリート半導体モジュール SiC, Module, 6mohm, 2300V, 48 mm, AlN GM4, Half-Bridge, Industrial |
| CAB5R0A23GM4 | ![]() |
ディスクリート半導体モジュール SiC, Module, 5mohm, 2300V, 48 mm, AlN GM4, Half-Bridge, Industrial |
| CAB6R0A23GM4T | ![]() |
ディスクリート半導体モジュール SiC, Module, 6mohm, 2300V, 48 mm, AlN GM4, Half-Bridge, Industrial, Pre-Applied TIM |
| CAB7R5A23GM4T | ![]() |
ディスクリート半導体モジュール SiC, Module, 7.5mohm, 2300V, 48 mm, AlN GM4, Half-Bridge, Industrial, Pre-Applied TIM |
| CAB7R5A23GM4 | ![]() |
ディスクリート半導体モジュール SiC, Module, 7.5mohm, 2300V, 48 mm, AlN GM4, Half-Bridge, Industrial |
公開: 2024-08-29
| 更新済み: 2025-03-12


