Wolfspeed YM 6パック・シリコンカーバイド・パワーモジュール
Wolfspeed YM 6パック・シリコンカーバイドパワーモジュールは、自動車グレードの認定モジュールで、シームレスな設計統合と耐久性を実現するように設計されています。これらのモジュールは、業界標準のフットプリントと最先端のパッケージング技術の採用により、商業、建設、農業車両のトラクション(コントロール)システムにシリコンカーバイドを合理的に統合できます。 YM 6パックモジュールは、電源端子の最適化された配置が特長で、パッケージのインダクタンスを低減し、オーバーシュート電圧の低減と極めて低いスイッチング損失を実現します。 主なアプリケーションは、自動車用トラクションインバータ、ハイブリッド電気自動車、モータドライブ、再生可能エネルギー、補助電源、および商業、建設、農業車両などでます。YM 6パック・シリコンカーバイド・パワーモジュールは、1,200V/650Aまでのさまざまな定格電流でご用意があります。車載用パワーモジュール規格に準拠しています。YM6パック・パワーモジュールの直冷式ピンフィン・ベースプレートは熱性能を高め、プレスフィットピンは組み立てを簡素化します。
特徴
- 超低損失を実現する完全SiC MOSFETベース
- 1,200V阻止電圧
- 公称電流オプション:330A、460A、600A
- RDS(on)(+25°Cの場合): 2.1mΩ、2.8mΩ、4.3mΩ
- 材料グループIの比較トラッキング指数(CTI)>600V
- 6.6nHという超低消費の電力ループインダクタンス
- 直接冷却式ピンフィンベースプレート
- 業界スタンダードのフットプリント
- 組み立てが簡単なプレスフィット接続
- 統合NTC温度センサ
- 高性能なSi3N4絶縁体
- 極めて信頼性の高い相互接続技術
- AQG-324認証
アプリケーション
- 車載用トラクション・インバータ
- 商業、建設、農業用車両
- ハイブリッド電気自動車
- Eモビリティとモータドライブ
- 補助電源
- 再生可能エネルギー
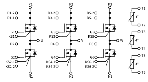
回路図とピン配列
公開: 2025-04-30
| 更新済み: 2026-03-10
