![]() | |||||||||||||||
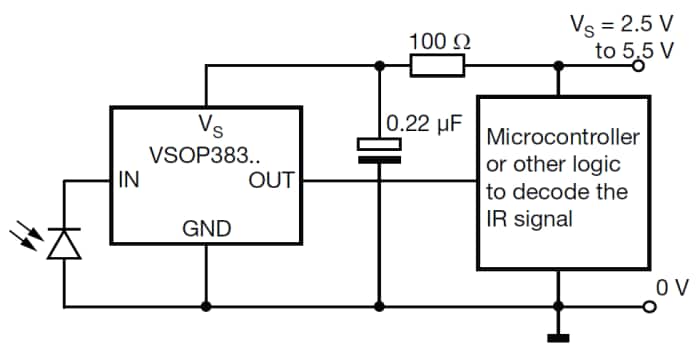
Vishay Semiconductor赤外線リモコン用プリアンプ回路Vishay Semiconductorsの赤外線リモコン用プリアンプ回路はフォトPINダイオードと一緒に赤外線受信用途で使うために設計されています。これらの赤外線リモコン用プリアンプ回路は、データ信号に感度がよく、IRリモコン用の一般データ形式に互換性をもつIR高度技術の受信機コンセプトです。また、Vishay Semiconductorsの赤外線リモコン用プリアンプ回路はタングステン電球などDC光源により発生するDC電流に影響を受けません。赤外線リモコン用プリアンプ回路では、蛍光灯からの妨害信号は抑制され、出力に不要なパルスはありません。 特徴
| |||||||||||||||
| |||||||||||||||
簡略ブロック図![]() | |||||||||||||||
応用回路![]() | |||||||||||||||
![]() |
公開: 2012-03-01
| 更新済み: 2022-03-11







