Analog Devices Inc. AD9177 16ビットDAC(ワイドバンドチャネルライザ搭載)
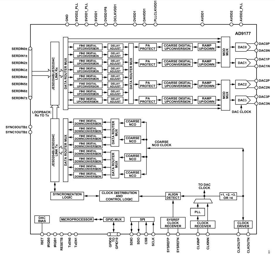
Analog Devices Inc. AD9177 16ビットDACにはワイドバンドチャネライザが搭載されており、柔軟性に富んだ再構成できるコモンプラットフォーム設計を実現しています。AD9177には、4つの16ビット、12 GSPS最大サンプルレート、RFデジタル・アナログ・コンバータ(DAC)コアが高度に集積されており、ベースバンドチャンネルを最大8チャンネルまでサポートしています。また、8レーン、24.75Gbps JESD204Cあるいは15.5Gbps JESD204Bデータレシーバ(JRx)ポート、オンチップクロック乗算器、デジタル信号処理(DSP)データパスが組み込まれています。これらのデータパスをバイパスして、データ・レシーバ・ポートおよびDACコアを直接接続できます。DSPデータパスは、RFアプリケーション、フェーズドアレイ・レーダー・システム、電子戦アプリケーションに直接送信するワイドバンドまたはマルチバンドの複雑な信号を処理できます。AD9177 DACは、ダイレクトデジタル合成(DDS)アプリケーションにおいてさまざまな周波数の複数の正弦波トーンを生成するためのデータレシーバポートなしで動作できます。補助機能には、低レイテンシ・ループバック・モード、高速周波数ホッピング、パワーアンプ下流保護回路、オンチップ温度監視装置、柔軟性に富んだGPIOピンがあります。代表的なアプリケーションには、ワイヤレス通信インフラ、マイクロ波地点間、Eバンド、5Gmm波、DOCSIS 3.1と4.0 CMTS、ブロードバンド通信システム、フェーズドアレイレーダー、電子戦があります。
特徴
- 柔軟性に富んだ再構成可能な共通プラットフォーム設計
- さまざまなDSPおよびバイパス・データパスに接続する4つのDACコア
- シングル、デュアル、クワッドバンドをサポート
- バイパス接続が完全に可能なデータパスとDSPブロック
- マルチチップ同期を用いたオンチップPLL
- オフチップPLLのための外部RFCLK入力オプション
- 12 GSPSでのDAC AC性能:
- 6.43mA~37.75mAフルスケール出力電流範囲
- -78.9dBc 2トーンIMD3(1トーンあたり-7dBFS)
- -155.1dBc/Hz NSD、3.7GHzでのシングルトーン
- -70dBc SFDR、3.7GHzでのシングルトーン
- 多目的デジタル機能:
- スケールできる補間フィルタ
- 構成式またはバイパス式DUC
- 8つの細かく複雑なDUC、4つの粗く複雑なDUC
- 1 DUCあたり48ビットNCO
- 細かい/粗いDUCをバイパスするオプション
- データパスごとにプログラム可能な遅延
- 送信DPDサポート
- 細かいDUCチャネルのゲイン制御と遅延調整
- 12GSPS までの最大DACサンプルレート:
- JESD204Cを使用した12 GSPSまでの最大データレート
- 8GHzまでの使用可能なアナログ帯域幅
- 補助機能:
- 直接デジタル合成および高速周波数ホッピング
- 低レイテンシ読み戻しモード(受信データパスNCO出力を送信データパスにルーティング可能)
- パワーアンプ下流保護回路
- オンチップ温度監視装置
- 柔軟性に富んだGPIOピン
- TDD省電力オプション
- SERDES JESD204B/JESD204Cインターフェイス:
- 8レーンJESD204B/Cレシーバ(JRx)
- 最速15.5Gbpsに準拠したJESD204B
- 最速24.75Gbpsに準拠したJESD204C
- 実際のまたは複雑なデジタルデータ(8、12、16、または24ビット)をサポート
- 15mm × 15mm、324ボールBGA(0.8mmピッチ)
アプリケーション
- 通信無線インフラストラクチャ
- マイクロ波ポイント・ツー・ポイント、Eバンド、5Gmm波
- ブロードバンド通信システム
- DOCSIS 3.1、4.0 CMTS
- 位相アレイデータと電子線
- 電子テスト、測定システム
機能ブロック図
公開: 2021-09-03
| 更新済み: 2025-02-21
