Analog Devices Inc. LTC2971デモボードDC2874A
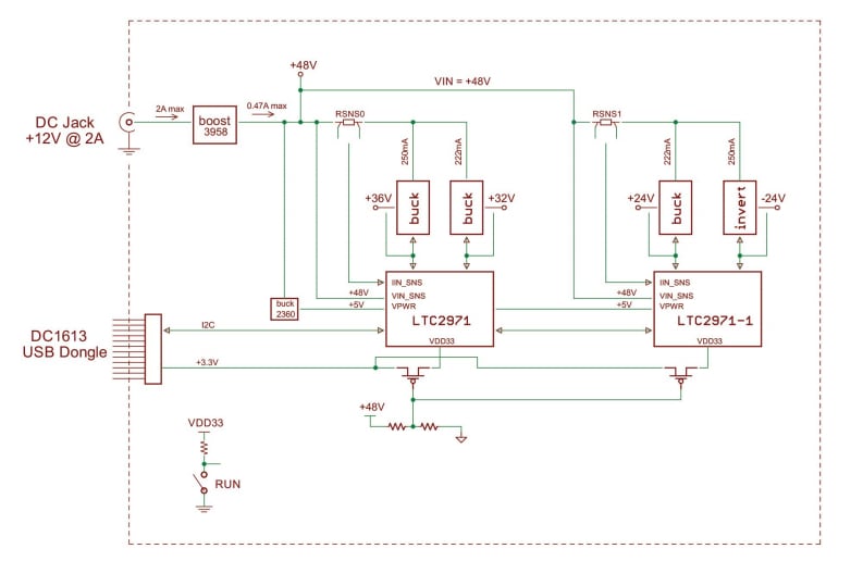
Analog Devices Inc. LTC2971デモボードDC2874Aは、さまざまなレギュレータとインターフェイス接続するLTC2971パワー・システム・マネージャ用のデモシステムです。このボードは、4つの電源を管理する2つの2チャンネルLTC2971を活用したパワーシステムの実証に必要な、すべての回路で構成されています。4つの電源には、電圧と電流をセンシングするためのいろいろな方法を実証することを目的とした、さまざまなスイッチングレギュレータがあります。DC2875Aデモボードは、洗練された4チャンネル対応デジタル・プログラマブル電源システムを実現しています。DC2875Aは、4つの電源のシーケンス、ストリム、マージン、監視、モニタリング、ログ障害をするLTC2971の能力検証に使用します。このデモボードには、DC/DCスイッチングレギュレータに基づいた4本の独立した電源レールが搭載されています。特徴
- 4つの電源のシーケンス、トリム、マージン、監視
- 障害の管理、テレメトリの監視、障害ログの作成
- PMBus対応コマンドセット
- LTpowerPlay GUIによってサポート
- 0.25%精度にマージンまたはトリムを供給
- 4台のIOUTと2台のIINモニタ
- 入力電力計測とエネルギー蓄積
- チャンネルあたり高速OV/UVスーパーバイザー
- マルチチャンネル障害管理
- 内部EEPROMへの自動障害ロギング
- 追加ソフトウェアなしで自律的に動作
- モニタ: 電圧、電流、電力、温度
- 2チャンネル対応タイムベースの出力シーケンサ
- I2C/SMBusシリアルインターフェイス
- 8V~18Vから給電
アプリケーション
- Computers and network servers
- Industrial test and measurement
- High-reliability systems
- Video and medical imaging
必要な機器
- +12VDC power supply
- USB-to-I2C/SMBus/PMBus controller (DC1613)
- LTpowerPlay Software
概要
ブロック図
Resources
公開: 2020-09-18
| 更新済み: 2024-11-08
