Analog Devices Inc. LT8609デモボードDC2958A-A/B/C
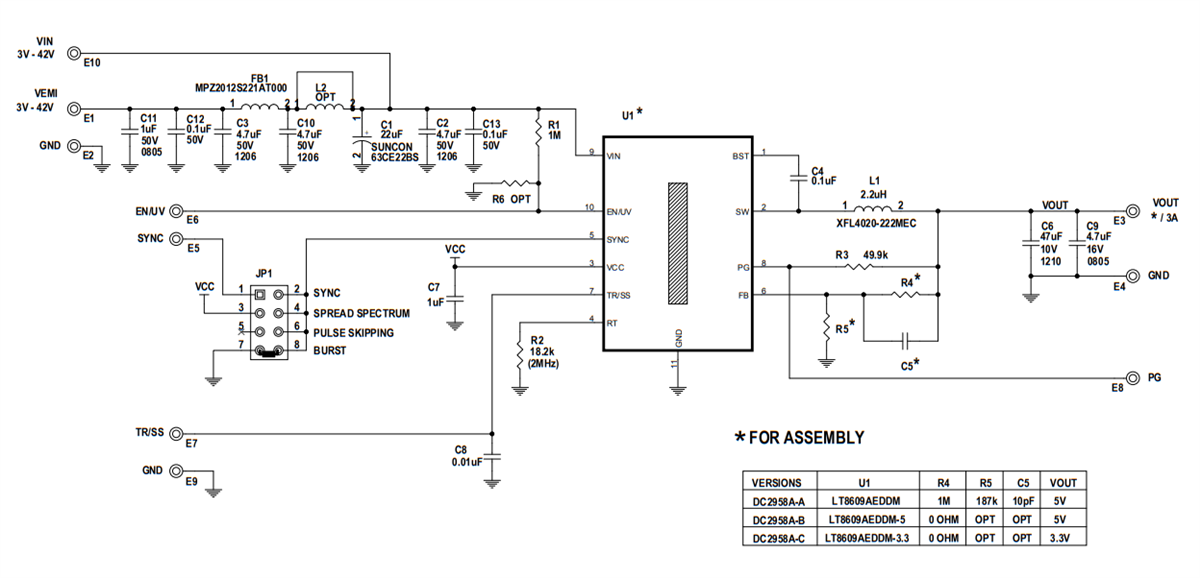
Analog Devices Inc. DC2686AデモボードDC2958A-A/B/Cは、LT8609A/09A-5/09A-3.3マイクロパワー同期降圧レギュレータの評価に使用するように設計されています。DC2958A-AはLT8609A調整式出力用で、DC2958A-BはLT8609A-5用で、固定5V出力電圧になっています。DC2958A-CははLT8609A-3.3を対象としており、固定3.3V出力電圧になっています。これらのデモボードは、最高42Vまでの入力で5Vまたは3.3V出力用に設計されています。DC2958xデモボードは、ドロップアウトモード動作で最低3Vまでの入力電圧で動作します。出力電圧は安定化ポイント未満であり、ドロップアウトモードでの入力電圧に従います。これらのデモボードはEMIフィルタが特徴です。広い入力電圧範囲によって、車載バッテリや工業電源といったさまざまな入力源が可能になります。特徴
- 3種類の組立バリエーションを利用可能:
- DC2958A-Aは、LT8609A調整式出力
- DC2958A-BはLT8609A-5を対象としており、5V固定出力電圧になっています。
- DC2958A-CはLT8609A-3.3を対象としており、固定3.3V出力電圧になっています。
- 最高42V入力で5Vまたは3.3V出力用に設計済
- 多種多様な入力源に対応できる広い入力範囲
- EMIフィルタを設置済
- 2MHz標準切替周波数 (fsw)
アプリケーション
- GSM transceivers
- General purpose step-down
- Low EMI step-down
性能グラフ
回路図
公開: 2020-12-28
| 更新済み: 2024-12-13
