Analog Devices Inc. EV-ADF4382A評価ボード
Analog Devices EV-ADF4382A評価用ボードは、フェーズ・ロック・ループ(PLL)用の電圧制御発振器(VCO)を内蔵した周波数シンセサイザADF4382Aの評価向けです。このボードは、USBインターフェイス、電源コネクタコネクタ、内蔵のリファレンス発振器、伝播遅延キャリブレーション経路、Subminiature Version A(SMA)コネクタを備えています。EV-ADF4382A 評価用ボードは50Ωの伝送ラインとAC結合されており、50Ωインピーダンス測定器の駆動に適しています。この評価用ボードは、試験および計測、高性能データ・コンバータのクロック供給、ワイヤレス・インフラストラクチャ(MC-GSM、5G、6G)などに最適です。特徴
- 統合VCO、ループフィルタ、USBインターフェイス、オンボードリファレンス発振器、伝搬遅延較正パス、電圧レギュレータが搭載されているADF4382A周波数シンセサイザをはじめとする自己完結型評価ボード
- Windows®ベースのソフトウェアを使用するため、PCからのシンセサイザ機能の制御が可能
- 6Vでの外部給電
アプリケーション
- 高性能データコンバータクロッキング
- ワイヤレスインフラ(MC-GSM、5G、6G)
- 試験と計測
必要な機器
- 評価ソフトウェア用の USB™ポートを備えた Windows ベースの PC
- システムデモンストレーションプラットフォーム、シリアル専用EVAL-SDP-CS1Zコントローラボード(SDP-S)
- 6V電源
- スペクトルアナライザまたは位相ノイズアナライザ
- 50Ωターミネータ
- 低ノイズ入力リファレンス(REFIN)ソース(オプション)
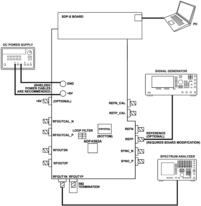
評価ボードのセットアップ図
公開: 2024-02-05
| 更新済み: 2024-07-05
