AD4129-8 ACEプラグインでは、AD4129-8デバイス・レジスタ機能を詳細に設定できます。また、ADC性能評価に有用なDC時間領域分析を波形グラフ、ヒストグラム、関連ノイズ分析として提供します。
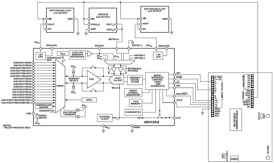
Analog Devices Inc. EVAL-AD4129-8WARDZは、ADCの機能を評価するための評価用ボードです。ユーザーPCソフトウェア(の実行ファイル)は、USBからEVAL-SDP-CK1Zシステム・デモンストレーション・プラットフォーム (SDP) ボードを介してAD4129-8を制御できます。
特徴
- AD4129-8用のフル機能の評価ボード
- Analog Devices, Inc.システムデモンストレーションプラットフォーム(EVAL-SDP-CK1Z)と結合したPC制御
- 制御およびデータ分析(時間領域)用PCソフトウェア
- スタンドアロン機能
必要な機器
- EVAL-AD4129-8WARDZ評価ボード
- EVAL-SDP-CK1Z システムデモンストレーションプラットフォーム
- DC信号源
- USBケーブル
- USB 2.0ポートを備えたMicrosoft Windows搭載PC
ブロック図
公開: 2023-11-21
| 更新済み: 2023-12-14

