Analog Devices Inc. HMC985A GaAs電圧可変アッテネータ
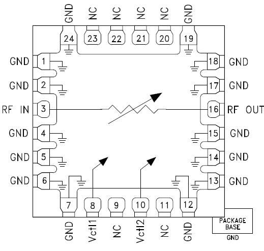
Analog Devices HMC985Aアッテネータは、吸収型GaAs MMIC電圧可変アッテネータ(VVA)で、10GHz〜50GHzで動作が可能です。このアッテネータは、アナログDC制御信号を使用して35dB~40dBのダイナミックレンジ全体でRF信号レベルを制御するアプリケーションに最適です。HMC985Aには、Vctl1およびVctl2の2つのアナログ電圧で制御されているシャントタイプアッテネータがあります。Vctl2を-5Vに固定して第1減衰段Vctl1を-5V~0Vに調整すると、+32dB入力IP3での優れた直線性性能を達成できます。Vctrl1ピンとVctrl2ピンを接続するとこのアッテネータは、入力IP3性能における僅かな低下だけで完全アナログ減衰範囲を供給できます。特徴
- Wide Bandwidth
- 10GHz to 40GHz (HMC985ALP4KE)
- 20GHz to 50GHz (HMC985A)
- +32dB input IP3 linearity
- 35dB attenuation range
- No external matching
- Package Size
- 24-lead 4mm x 4mm SMT package
- 2.78mm x 1.41mm x 0.1mm (HMC985A) die size
アプリケーション
- Point-to-point radio
- VSAT radio
- Test instrumentation
- Microwave sensors
- Military, ECM, and radar
Functional Block Diagram
公開: 2017-07-12
| 更新済み: 2022-04-18
