Analog Devices Inc. LTC7893同期ブーストコントローラ
Analog Devices Inc. LTC7893同期昇圧コントローラは、高性能、昇圧、DC/DC、およびスイッチングコントローラです。これらのコントローラは、最大100Vの出力電圧からすべてのNチャンネル同期窒化ガリウム(GaN)電界効果トランジスタ(FET)電力段を駆動します。LTC7893コントローラは、保護ダイオードと追加の外付け部品を必要としません。これらのコントローラのゲート駆動電圧は、4V ~5.5Vの間で正確に調整し、性能を最適化できます。LTC7893コントローラは、昇圧コンバータレギュレータ出力からバイアス接続すると、起動後に最低1Vまでの入力供給から動作できます。LTC7893コントローラは、15μA低動作IQ 、100kHz ~3MHzプログラマブル周波数範囲、スペクトラム拡散周波数変調、100kHz ~3MHz同期可能周波数範囲が特徴です。これらのコントローラは、28リード (4mm x 5mm)、サイドウェッタブル、QFNパッケージでご用意があります。LTC7893コントローラは、テレコミュニケーションパワーシステム、医療システム、防衛航空電子工学、車載アプリケーションで使用されています。
特徴
- GaN FET向けに完全に最適化されたGaN駆動テクノロジー
- 最大100Vの出力電圧
- 低 い動作IQ:15μA
- プログラム可能な周波数範囲: 100kHz ~3MHz
- 100kHz3MHz同期可能周波数範囲: 100kHz~3MHz
- 4V ~60Vの広いVIN 範囲で、起動後に最低1Vで動作
- キャッチ、クランプ、またはブートストラップダイオード不要
- 抵抗器で調整できるデッドタイム
- ハイサイドドライバ供給の過充電を防止する内部スマートブートストラップスイッチ
- ターンONおよびターンOFFドライバの強度調整を実現するための分割出力ゲートドライバ
- 正確に調整できるドライバ電圧と低電圧ロックアウト(UVLO)
- スペクトラム拡散周波数変調
- 28リード (4mm x 5mm)、サイドウェッタブル、QFNパッケージ
- 車載アプリケーション向けAEC-Q100認定
アプリケーション
- テレコミュニケーション電源システム
- 車載および産業用電源システム
- 防衛航空電子工学
- 医療用システム
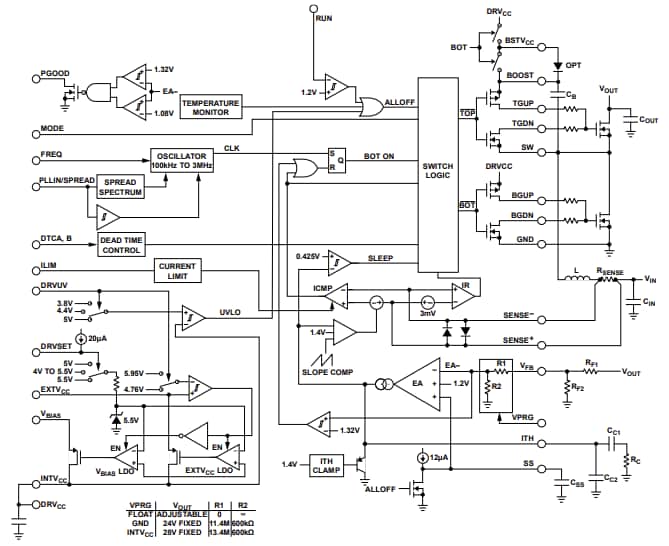
ブロック図
標準的なアプリケーション図
公開: 2025-01-28
| 更新済み: 2025-02-21
