Analog Devices / Maxim Integrated MAX22212 DCモータドライバ
Analog Devices/Maxim Integrated MAX22212 DCモータードライバには、大電流36V、7.6A最大 Hブリッジが統合されており、ブラシ付きDCモーター1台またはステッパモーターの半分を駆動できます。オンボードHブリッジFETは、比類のない低インピーダンスを示しており、高駆動効率と最小限の発熱につながります。標準的な合計RON(ハイサイドとローサイドの両方で構成)は、0.125Ωです。Hブリッジのパルス幅変調(PWM)制御は、DIN1、DIN2、ENの3つのロジック入力を介して達成されます。MAX22212ドライバは、正確な電流駆動安定化(CDR)が特徴で、ブラシ付きDCモータの起動電流を制限したり、ステッパ動作のための位相電流を制御できます。これらのドライバは、4つの異なる減衰方式、すなわち低速減衰、高速減衰、および2つの混合減衰モードをサポートしています。代表的なアプリケーションには、ステッパモータドライバ、ブラシ付きDCモータドライバ、ソレノイドドライバ、ラッチバルブがあります。特徴
- +36V電圧定格が備わったHブリッジ1台:
- 合計RDS(ON)(高圧側+低圧側):標準125mΩ(TA = 25°C)
- Hブリッジあたりの電流定格(TA = 25°Cで標準):
- IFS _ MAX = 7.6A ( 内部電流駆動安定化のための最大フルスケール電流設定)
- 推奨最大RMS 電流:IRMS = 4A RMS
- 保護:
- 各チャンネル (OCP) の過電流保護
- 低電圧ロックアウト(UVLO)
- 熱シャットダウンTJ = 165°C (TSD)
- TQFN32 5mm x 5mmパッケージまたはTSSOP28 4.4mm x 9.7mmパッケージでご用意あり
- 統合電流制御
- 外部レジスタでプログラミングできるフルスケールDAC電流
- 外部のかさばるレジスタを排除して効率性を向上させる内部電流センシング(IC)
- 電流駆動安定化モニタ出力ピン ( CDRピン)
- 16レベルからの出力電流を設定する統合DAC
- 4つの減衰モードに対応(低速、高速、2つの混合モード)
- 外付けレジスタを使用して構成できる固定OFF時間
- 電流センス出力(電流モニタ)
- 故障インジケータピン(Fault)
- 低消費電力モード(スリープモード)
アプリケーション
- ステッパモータドライバ
- ブラシ付きDCモータードライバ
- ソレノイドドライバ
- ラッチバルブ
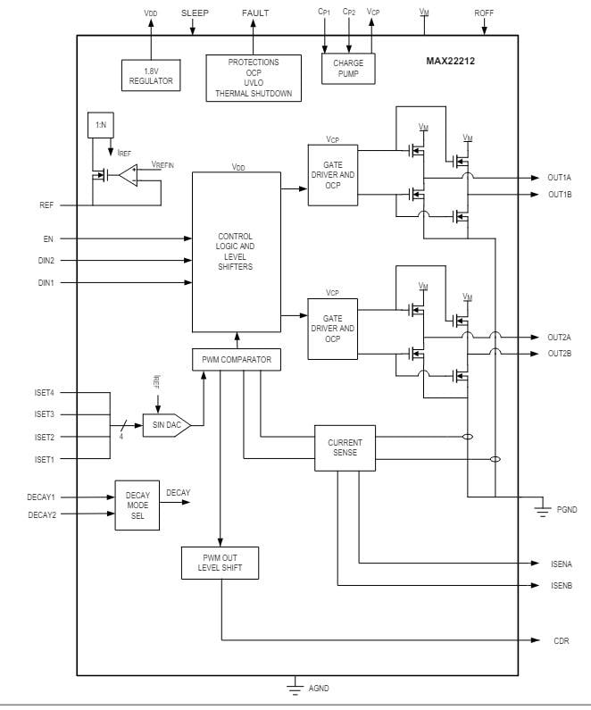
機能ブロック図
公開: 2024-06-28
| 更新済み: 2024-08-05
