Analog Devices Inc. MAX22217ソレノイド・ドライバ
Analog Devices Inc. MAX22217ソレノイド・ドライバは、オン/オフソレノイドバルブ、DCモーター、比例バルブ、双安定バルブ、リレーなどの誘導負荷を駆動することを目的としています。これらのドライバは、 4つのプログラム可能な36Vハーフブリッジと統合されています。MAX22217ソレノイド・ドライバは、-40°C ~ 125°Cの周囲温度範囲で動作します。これらのドライバには、ソレノイドとDCモーター駆動制御を最適化するための機能が統合されています。MAX22217は過電流保護(OCP)、過熱保護(OTP)、不足電圧 ロックアウト(UVLO)などの保護回路を備えています。これらのドライバは、TQFN32 5mm x 5mmのパッケージです。MAX22217ドライバは、オン/オフソレノイドバルブとリレー、 DCモーター、比例バルブ、双安定ラッチング・ソレノイドバルブ、デジタル出力インターフェイス、電気機械式モータブレーキに最適です。特徴
- 4つのシリアル制御の36Vハーフブリッジ:
- 0.55A DC(TA = 25°C)および1Aフルスケールの電流能力
- 高効率のための低RON
- 高い柔軟性:
- 独立したチャンネル設定
- ハイサイド/ローサイド/ブリッジタイド負荷構成/パラレルモードをサポート
- 高度な制御方法:
- 電圧/電流ドライブ安定化
- 省電力用2レベルのシーケンサ
- 電流リミッタ付きDCモーター駆動
- ディザリング機能
- ランプアップ/ランプダウン制御
- 消磁電圧制御
- 統合電流センス
- 診断機能:
- 反応時間と移動時間の測定
- プランジャの動き検出
- 開放負荷検出
- インダクタンス測定
- デジタル電流検出モニタ
- フルセットの保護機能:
- 過電流保護
- 過熱保護
- 不足電圧ロックアウト
アプリケーション
- オン/オフ ソレノイドバルブとリレー
- DCモーター
- 比例バルブ
- 双安定ラッチ・ソレノイド・バルブ
- リアルタイム電流測定機能付きスイッチング・ドライバ
- デジタル出力インターフェイス
- 電気機械モーターブレーキ
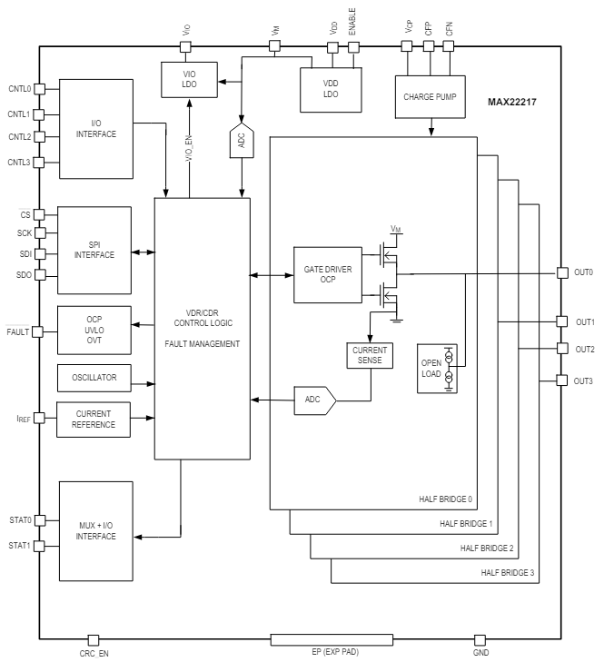
ブロック図
公開: 2024-07-10
| 更新済み: 2024-07-24
