Analog Devices Inc. MAX15158/MAX15158A多相ブーストコントローラ
Analog Devices Inc. MAX15158/MAX15158A高電圧多相ブーストコントローラは、単相または二相ブースト/反転バックブースト構成において、最大2つのMOSFETドライバと4つの外部MOSFETをサポートするように設計されています。このデバイスは、4相動作用に2台のデバイスを積み重ねることができます。MAX15158Zの出力電圧は、モジュラ設計サポートを目的に、1V~2.2Vリファレンス入力(REFIN)を介して動的に設定できます。MAX15158AではREFINピンが削除されており、デフォルトによって内部2.0Vリファレンス電圧が選択されています。スイッチング周波数は、内部発振器を設定する外付け抵抗を介して、あるいはレギュレータを外付けクロックに同期させることによって、のどちらかで制御されます。デバイスは、120kHz~1MHzのスイッチング周波数をサポートするように設計されています。コントローラには、専用のイネーブル/入力低電圧ロックアウト(EN/UVLO)ピンがあり、柔軟性に富んだ電源シーケンシングを目的に構成できます。MAX15158/MAX15158Aには専用のRAMPピンがあり、内部スロープ補償を調整できます。このデバイスは、調整可能な過電流保護が特徴です。デバイスには、外付けセンス抵抗を介して各位相の電流を正確に測定する電流センスアンプが組み込まれており、正確な位相電流供給を実装できます。コントローラは、出力過電圧、入力低電圧、熱シャットダウンからも保護されています。このデバイスは、32ピンTQFNパッケージ(5mm x 5mm)で提供され、-40°C~+125°Cのジャンクション温度範囲に対応します。
特徴
- 広い動作範囲
- 8V~76V入力電圧範囲(ブースト構成用)、-8V~-76V入力電圧範囲(反転バックブースト構成用)
- 入力電圧のトップでの3.3V~60V出力電圧範囲
- 120kHz~1MHzの切替周波数範囲
- 温度範囲: -40°C~+125°C
- シングル/デュアル/クワッド相動作
- アクティブ相電流バランス制御
- 設計のフットプリントを削減する統合
- バイアス電源生成用の内部LDO
- 多相の複数コントローラの同期とインターリーブ
- 出力電圧センスレベルシフタ
- 堅牢な障害保護によって品質と信頼性を向上
- 調整可能な入力低電圧ロックアウト
- 調整可能なサイクルバイサイクルピーク電流制限
- 帰還過電圧保護を選択可能
- サーマルシャットダウン
- 柔軟性に富んだシンプルなシステム設計
- 調整可能なスロープ補償
- 正確な電流センシングのための低圧側MOSFETゲート監視
- 不連続導通モード動作は、高圧側MOSFETの代わりにダイオードを使用するとサポートされます。
- 小型5mm x 5mm TQFNパッケージ、0.5mmピッチ
アプリケーション
- 通信
- 産業用
- 車載用
- 多相ブースト
MAX15158のブロック図
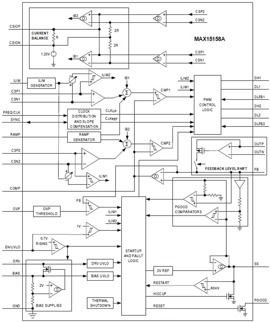
MAX15158Aのブロック図
公開: 2020-04-03
| 更新済み: 2024-05-08
