MAX20430EVKIT 評価キットは、MAX32625PICOボードといったI2Cインターフェイス、およびSimpleI2Cといったデバイスへの読み取り/書き込みが可能なPCソフトウェアを使用するように設計されています。ICには、デフォルトで有効になっているパケットエラーチェック(PEC)機能があります。このオプションは、CONFIG1レジスタ0x01、ビット0(PECE)を使用して無効にできます。PEC有効時にレジスタに書き込むには、I2Cトランザクション後にPECバイトが必須です。SimpleI2Cソフトウェアは、PEC有効化設定を提供することで、このプロセスを簡素化します。
特徴
- ボード面積とレイアウトを最小限に抑える統合IC
- 入力電圧範囲3.5V~36.0V
- I2Cを介したユーザープログラム設定
- チャレンジ/レスポンスまたはシンプルなウィンドウ・ウォッチドッグ
- 1MHzの固定周波数スイッチング(スペクトラム拡散オプションあり)
- リセットピン、およびI2Cステータスレジスタを介したステータス監視
- 組立と試験を完了
- 車載グレード部品を用いた実績のあるPCBレイアウト
アプリケーション
- 先進運転支援システム(ADAS)
- ASILアプリケーション
必要な機器
- MAX20430評価キット
- SimpleI2CといったI2C読み取り/書き込みソフトウェア
- MAX32625PICOボードといったI2Cインターフェイス
- 0V ~ 36V出力が可能なDC電源
- デジタル・マルチメータ
- 電気的負荷
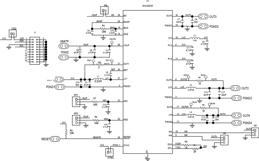
スキーム図
公開: 2020-05-12
| 更新済み: 2024-05-15

