Analog Devices / Maxim Integrated TMC2225ステッパドライバ
Analog Devices Inc. TMC2225ステッパドライバは、3D印刷、カメラ、スキャナ、およびその他の自動機器アプリケーション向けの統合モータードライバソリューションを提供します。TMC2225はStealthChopサイレント駆動テクノロジーを特徴としており、ノイズのない動作、最大の効率性、最高のモータトルクを保証します。高速電流調整とSpreadCycleとのオプションの組み合わせにより、非常にダイナミックな動作が可能になります。統合パワーMOSFETは、最大1.4ARMS のモーター電流を処理します。保護機能と診断機能により、堅牢で信頼性の高い運用がサポートされます。使いやすいUARTインターフェイスにより、チューニングと制御のオプションがさらに広がります。アプリケーション固有のチューニングは、OTP(ワンタイムプログラマブル)メモリに保存できます。ADI TMC2225ステッパドライバは、高い熱性能を実現する露出パッドを備えたHTSSOPパッケージで販売されております。
特徴
- 最大2Aコイル電流(ピーク)の2相バイポーラステッパモータ用のStep/Dirドライバ
- 4、8、16、32マイクロステップのピン設定を備えたSTEP/DIRインターフェイス
- Micropller™補間によるスムーズな動作の256マイクロステップ
- StealthChop2™の静かなモータ動作
- SpreadCycle™の極めて動的なモータ制御チョッパ
- チョッパ方式のピン選択
- 低 RDS(on)(25°Cで)
- ローサイド:280mΩ
- ハイサイド:290mΩ
- 電圧範囲:4.75V~36.0VDC
- 自動スタンバイ電流低減オプション
- 内部検出抵抗器オプション(検出抵抗器不要)
- パッシブブレーキとフリーホイール
- 高度な構成オプションのための単線UARTおよびOTP
- スタンドアロン動作用の統合パルスジェネレータ
- 完全保護と診断
- HTSSOP28パッケージ
- RoHS準拠
アプリケーション
- 3Dプリンタ
- プリンタ
- POS
- オフィス/ホームオートメーション
- ミシン
- CCTV
- セキュリティ
- ATM
- キャッシュリサイクラー
- HVAC
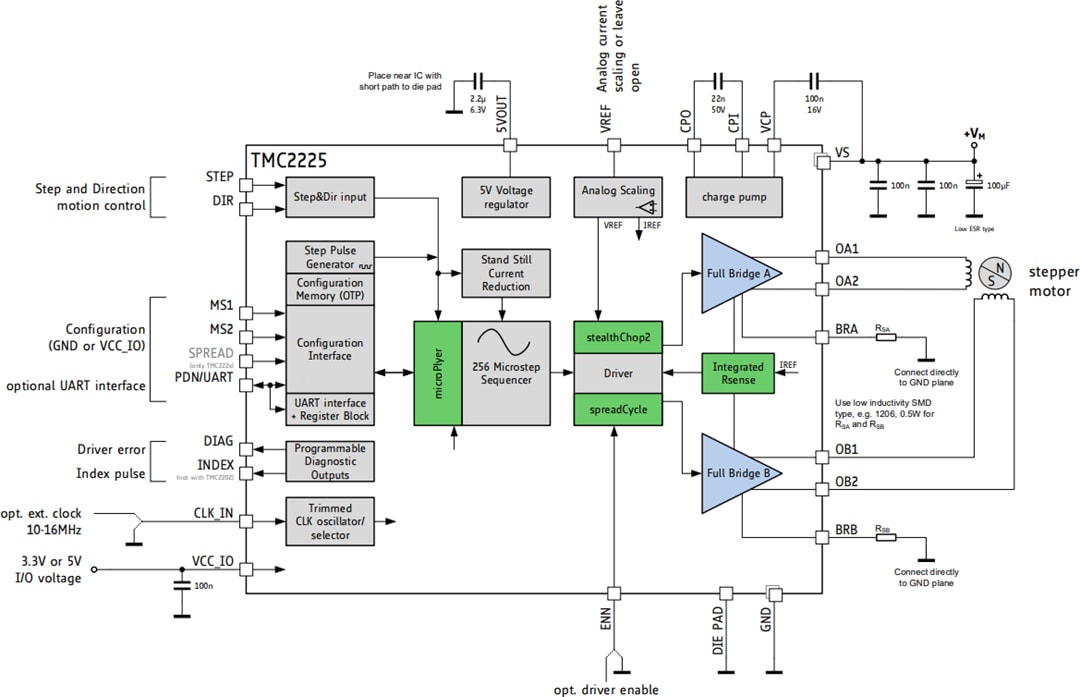
ブロック図
一般的なアプリケーション回路
パッケージ外形
ビデオ
公開: 2021-03-29
| 更新済み: 2026-02-03
