TMC2225-BOBブレイクアウトボードには、HTSSOP28パッケージにプリインストールされたADI TMC2225ステッパドライバと、サポート回路およびステータスLEDが含まれています。ブレイクアウトボードには、すべての主要なピン信号へのアクセスを実現するヘッダ列も含まれています。
TMC2225-BOBは、ユーザーが自分のアプリケーションを迅速にプロトタイピングできるように設計されており、アプリケーションのソフトウェアを開発しながら、TMC2225でモータがどのように動作しているかを直ちに確認できます。
特徴
- TMC2225-SAステッパモータドライバ
- 5V~28Vの電源電圧
- 最大1.4ARMS の I位相
- StealthChop™による静かな動作
- UARTを介した構成および拡張診断
- Step/Dirインターフェイスによる制御
- コンパクトな1.0" x 1.0"のプリント基板
- ピン信号用の2つの10ピン0.1"ヘッダ列
ボードレイアウト
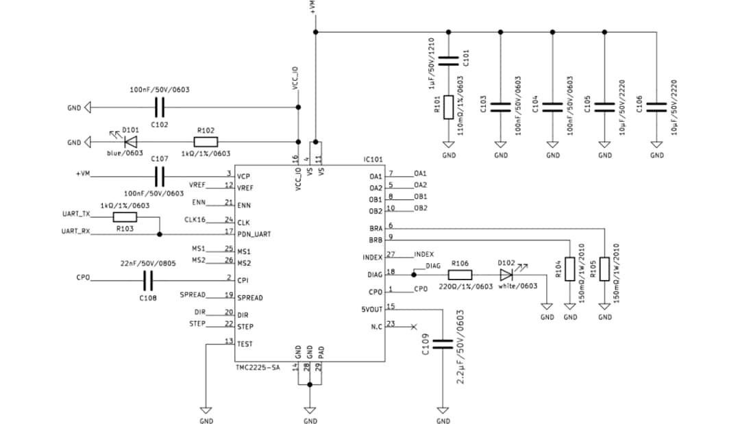
スキーム図
ビデオ
公開: 2021-03-29
| 更新済み: 2026-02-03

