Diodes Incorporated AP64352QSP-EVM評価ボード

Diodes Incorporated AP64352QSP-EVM評価ボード は、3.8V~40Vの広い入力電圧範囲のAP64352Q同期降圧コンバータを評価するために設計されています。このコンバータには、75mΩ 高圧側パワーMOSFETおよび45mΩ 低圧側パワーMOSFETが完全に統合されており、効率性の高いDC/DC変換を実現できます。代表的なアプリケーションには、5V、12V、24V分散型電源、白物家電、小型家電、ホームオーディオ、ネットワークシステム、民生用電子機器、コードレス電動工具があります。

概要

Diodes Incorporated AP64352QSP-EVM評価ボード

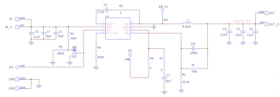
AP64352QSP-EVMのスキーム図

回路図 - Diodes Incorporated AP64352QSP-EVM評価ボード
公開: 2020-07-13 | 更新済み: 2024-08-07