Diodes Incorporated PCI Express(PCIe)クロック・ジェネレータ
Diodes Incorporated PCI Express (PCIe) クロック発生器は、低消費電力2、4、8出力PCIe発生器で、オンチップ終端が備わっています。これらのクロック発生器には、25MHz水晶またはCMOSリファレンス入力が活用されており、複数の100MHz出力を実現しており、オンチップ終端が備わっています。PCIeクロック発生器には、追加のバッファ付きリファレンス出力があり、他の回路向けに低ノイズ・リファレンスとして機能します。Diodes Incorporatedクロック発生器は、ストラッピング・ピンまたはSMBUSを介した異なるスルーレートと振幅のような、さまざまなオプションを実現しています。これによってユーザは、各ボードの性能を個別に最適化できるようにデバイスを簡単に構成できます。また、これらのデバイスは、選択可能なスペクトラム拡散オプションもサポートしており、さまざまなアプリケーションのEMIを低減できます。特徴
- 25MHzのクリスタル/CMOS入力
- オンチップ終端が備わった2つ、4つ、8つの差動低消費電力HCSL出力
- 個々の出力イネーブル
- リファレンスCMOS出力
- プログラマブル・スルーレートと各出力の出力振幅
- 位相ロック・ループ(PLL)がロックされるまでブロックされる差動出力
- 選択可能な0%、-0.25%、または-0.5%スプレッドの差動出力
- 設定用のストラッピング・ピンまたはSMBus
- 3.3Vを許容するSMBusインターフェイスのサポート
- 供給電圧:
- 1.5Vおよび1.5V
- 極めて低いジッタ出力
- 50ps未満の異なるサイクル間ジッタ
- 60ps未満の異なる出力間スキュー
- PCIe Gen1/Gen2/Gen3/Gen4準拠
- 1.5Ps RMS未満のCMOS REFOUT位相ジッタ
- パッケージ(無鉛およびグリーン):
- 48リード6mm x 6mm TQFN
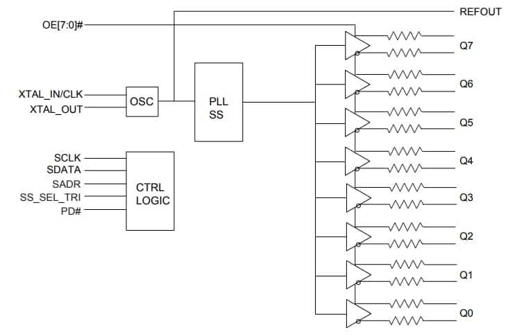
ブロック図
View Results ( 4 ) Page
| 部品番号 | データシート | 出力数 | 出力タイプ | 動作供給電流 | パッケージ/ケース |
|---|---|---|---|---|---|
| PI6CG18201ZDIEX | ![]() |
2 Output | HCSL | 15 mA | TQFN-24 |
| PI6CG18801ZLIEX | ![]() |
8 Output | CMOS | 5 mA | TQFN-48 |
| PI6CG15401ZHIEX | ![]() |
4 Output | HCSL | 21 mA | TQFN-32 |
| PI6CG18200ZDIEX | ![]() |
2 Output | CMOS, HCSL | 15 mA | TQFN-24 |
公開: 2018-08-31
| 更新済み: 2022-09-30

