Infineon Technologies TLD6099-2ES マルチトポロジーDC-DCコントローラ
Infineon Technologies TLD6099-2ES デュアルチャネル・マルチトポロジーDC-DCコントローラは、コンパクトなLEDドライバを実装するための保護機能を内蔵したLEDアプリケーション向けに設計されています。2つのチャンネルで生成される出力電流は独立しており、ピーク電流制御ループを使用して調整されます。内部スロープ補償により、(例えば、50%を越える)高デューティサイクルでのサブハーモニック発振を回避します。電流精度は、動作温度範囲において、3.5%(アナログ調光なし)を超えます。電流センスアンプは、20を超える白色LED(出力時最大70V)を備えたLEDストリングへの電力供給に必要なトポロジーの選択肢に柔軟性を提供します。外部抵抗により、スイッチング周波数を100kHzから500kHzまで、または固定の2.2MHzまで調整できます。外部クロックとの同期も可能です。このデバイスはスペクトラム拡散変調器を内蔵しており、電磁放射規格を容易に満たすことができます。Infineon TLD6099-2ESの各チャンネルは、出力容量を迅速に放電するために、外部NMOSを駆動することができます。この機能は、軽微な機能交換シナリオによる迅速な負荷変動の管理に役立ちます。典型的なユーザーケースは、ロービームからハイビームへの切り替えや、マトリックス・マネージャーによるアダプティブ・ドライビング・ビームの駆動です。
特徴
- デュアルチャンネルデバイス
- 幅広い入力電圧(最大58V)と出力電圧範囲(最大70V)。
- スイッチング周波数範囲:100kHz~500kHz、2.2MHz
- EMC最適化デバイス
- アナログ出力調整(アナログ調光)
- 過電圧、地絡、オープンフィードバック、過熱診断出力
- 適応型出力放電用NMOSゲートドライバ
- LED電流精度(アナログ調光なし):±3.5%
- AEC-Q100車載認定
アプリケーション
- LEDドライバ
- フロントライトモジュール
- アニメーションライト機能
- ピクセル化されたアダプティブドライビングビーム
- 製品検証
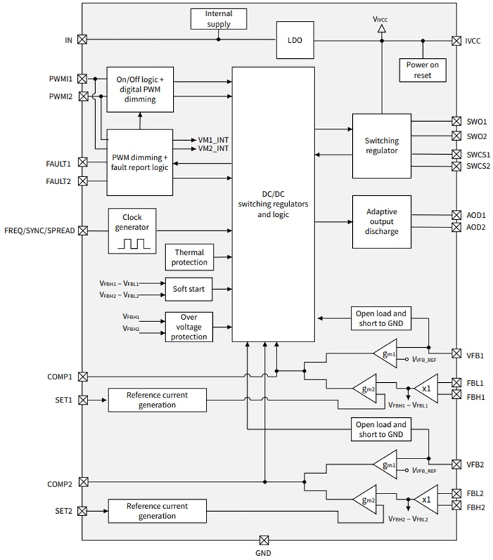
ブロック図
公開: 2025-01-24
| 更新済み: 2025-09-26
