Infineon Technologies TLD6099-2S-S_EVAL評価ボード
インフィニオン (Infineon) TLD6099-2S-S_EVAL 評価ボードは、LITIX™ Power ファミリのTLD6099-2S LEDドライバICの機能を実証するために設計された、デュアルチャネルの単端一次インダクタコンバータ(SEPIC)評価ボードです。TLD6099-2S-S_EVALは、2つの独立したチャンネルが特徴で、チャンネルあたり最大40Wを供給できます。負荷遷移中に過電流が発生した場合に出力コンデンサを放電するための専用パスが設けられています。このボードは、特にアダプティブ ドライビング ビーム(ADB)システムといった車載照明アプリケーション向けに最適化されており、走行用前照灯(ハイビーム)、すれ違い用前照灯(ロービーム)、昼間走行灯(デイタイムランニングライト)、および車幅灯(ポジションライト)に対応しています。特徴
- 適応型出力放電(AOD)機能を備えた内蔵のTLD6099-2ES マルチトポロジLEDドライバ:高速な負荷条件変化時における出力電流のオーバーシュートを低減
- TLD6099-2ES診断機能
- 接地に対する短絡
- VFBピンでの過電圧
- FBHピンでの過電圧
- Overtemperature
- 2x SEPICトポロジでの独立したチャンネル
- LEDチェーンに対する安定した出力電流の安定化を図る
- 総順方向電圧を入力電圧より低い、高い、または同等することが可能
- 統合EMIフィルタと逆極性保護
- 診断は負荷を保護するために常に有効
- 出力電流オーバーシュートは、AOD機能から強く制限
- 周波数: 500kHz
- 8V〜45Vの広い入力電源電圧範囲
- 両方のチャンネルで1Aの最大出力電流
- ワイド3V~40V出力電圧範囲
- 1チャンネルあたり40Wの出力電力
- 最高周囲温度:+40°C
- 車載認定済
- 使いやすい
- フィルタリング不要
アプリケーション
- ADB
- ハイビームとロービーム
- 日中走行用ライト
- ポジションランプ
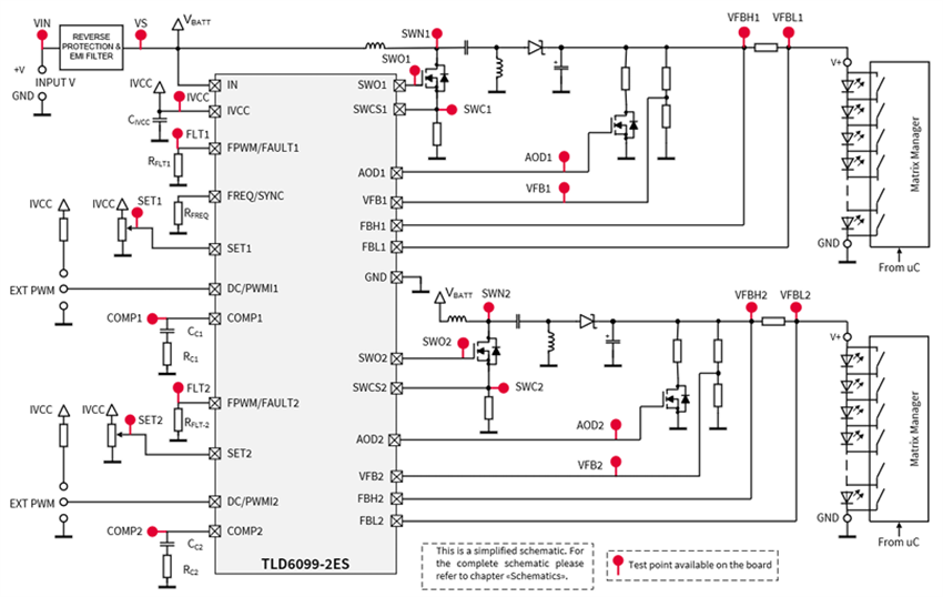
ブロック図
基本設定
出力電流変動
デジタル調光
公開: 2025-09-26
| 更新済み: 2025-10-31
