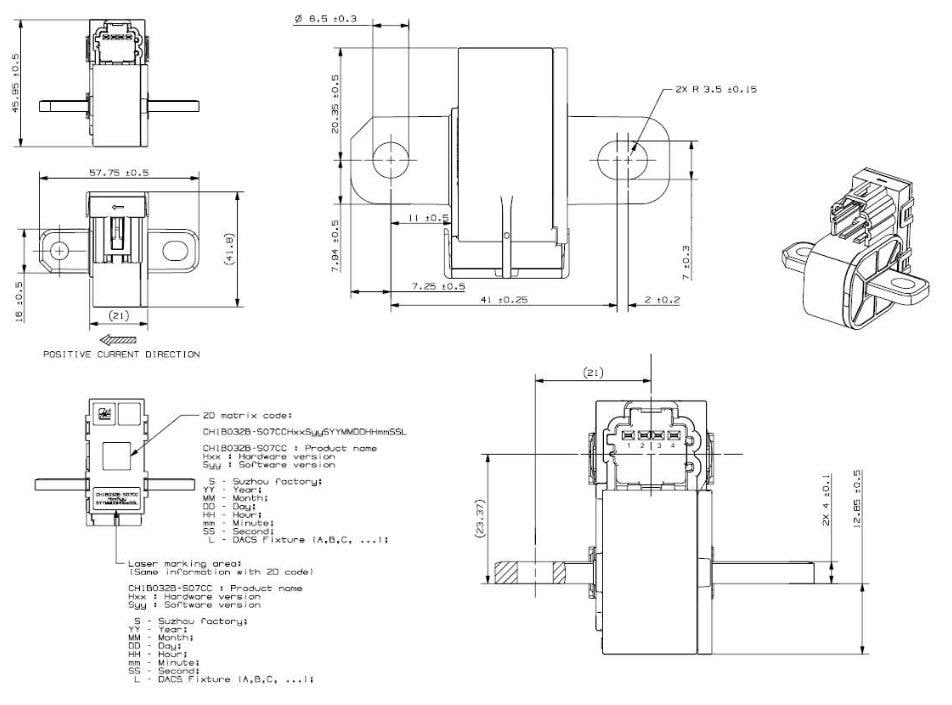
Littelfuse CH1B032B 電流センサー
リテルヒューズ (Littelfuse) CH1B032B電流センサには、オープンループホール効果技術が活用されており、Cコアによって生成された磁束密度に比例したレシオメトリック出力信号を実現できます。このリテルヒューズ (Littelfuse) 電流センサには、ASIL C統合用のデジタル出力が備わっています。CH1B032Bは、バッテリ管理システム(BMS) 用に設計されており、高センシング精度、低熱オフセットドリフト、低熱感度ドリフトが特徴です。
特徴
- BMS用に設計
- 開ループホール効果
- バスバー絶縁測定
- 単極性+5VDC 電源
- 動作温度範囲: -40°C~+85°C
- 診断機能搭載CAN 2,0Bデジタル出力、AUTOSAR E2Eプロファイル1A実装
- オーバーレンジ電流検出
- 複数のホールセンサ出力の組み合わせによって得られる非常に高い精度
- ±1,500AチャンネルCANデジタル信号出力
仕様
- 最大電源電圧範囲 -6V~5.5V
- 最大供給電流150mA
- ASIC損傷なしでCANに対する6V最高電圧
- ASIC損傷なしで出力ピンに対する1mA最大電流
- 50MΩの絶縁抵抗
- 1mA絶縁耐力
- 17mm 沿面距離
- 15.6mm電気クリアランス
関連のある車載電流センサ
オープンループホール技術によって過電流を検出し、ピロモジュールをアクティブにするための出力信号を実現しています。
Cコアコンセントレータによって生成される磁束密度に比例したレシオメトリック出力信号です。
公開: 2025-09-26
| 更新済み: 2025-10-24