特徴
- パイロモジュールシステムアプリケーション用に設計
- 電流センサが直接パイロトリガします
- 非常に高い故障電流遮断能力
- さまざまなトリガレベル
- 非対称較正が可能
- 焦電モジュールへの外部トリガ信号
- 診断機能
- 開ループホール効果
- 電源:単極+12VDC
- 動作温度範囲: -40°C~+85°C
- システム電圧:最高1000VDC
仕様
- -16V ~ 24V最高電源電圧
- 測定モードでの200mA最大供給電流
- トリガ10A時の2msを対象とした最大供給電流
- 50MΩの絶縁抵抗
- 絶縁電圧による1mAリーク電流
- 14.98mm 沿面距離
- 8.44mm クリアランス
- UL 94 V-0難燃性等級
- IP41保護度
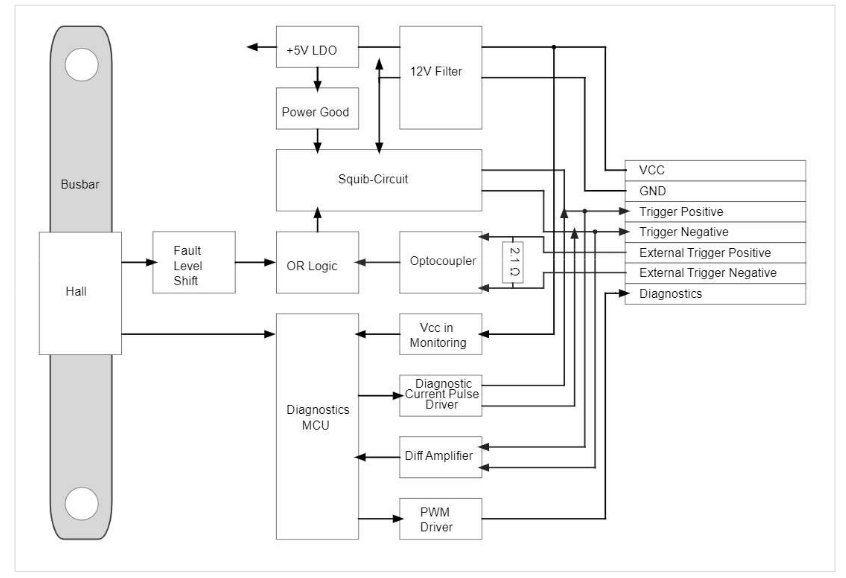
ブロック図
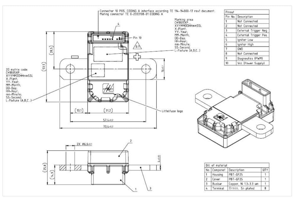
寸法 (mm)
公開: 2025-09-26
| 更新済み: 2025-10-24

