MCP73871バッテリ充電管理コントローラには、定電流/定電圧(CC/CV)充電アルゴリズムが採用されており、選択可能な充電終了ポイントが備わっています。定電圧レギュレーションは、4.10V、4.20V、4.35V、4.40Vの4種類のオプションで固定されており、新しい新興バッテリ充電要件に対応できます。MCP73871コントローラは、高周囲条件または高電力時のダイ温度に基づいて充電電流を制限します。これらのコントローラは、レジスタのプログラマブル終端設定値、バッテリセル温度モニタ、自動再充電、自動エンドオブチャージ制御、低電圧ロックアウト(UVLO)が特徴です。
特徴
- 統合システム負荷共有とバッテリ充電管理
- システムに同時に電力を供給し、リチウムイオンバッテリに充電
- 電圧比例電流制御(VPCC)によって、リチウムイオンバッテリの充電電流よりシステム負荷を優先
- 理想的なダイオード動作が備わった低損失電源経路管理
- 完全リニア充電管理コントローラ
- 統合パストランジスタ
- 統合電流センス
- 統合逆放電保護
- 選択式入力電源はUSBポートまたはAC-DC電源アダプタ
- プリセット高精度充電電圧オプション
- 4.10V、4.20V、4.35V、または4.40V
- ±0.5%安定化公差
- 熱安定化が備わったCC/CV動作
- 1.8A最大の合計入力電流制御
- レジスタのプログラマブル高速充電電流: 50mA~1A
- レジスタプログラマブル終端セットポイント
- 自動再充電
- 選択式USB入力電流制御
- 自動充電終了制御
- タイマ有効化/無効化制御付き安全タイマ
- 深く消耗した電池の0.1C条件付け
- 電池温度モニタ
- 低電圧誤動作防止(UVLO)機能
- 低バッテリのステータスインジケータ(LBO)
- パワーグッドステータスインジケータ(PG)
- 充電状態および故障状態インジケータ
- 温度範囲: -40ºC~85ºC
アプリケーション
- 全地球測位システム(GPS)/ナビゲータ
- スマートフォン
- ポータブルメディアプレーヤーとMP3プレーヤー
- デジタルカメラ
- Bluetooth対応ヘッドセット
- 携帯用医療機器
- 充電クレードル/ドッキングステーション
- 玩具
アプリケーション回路
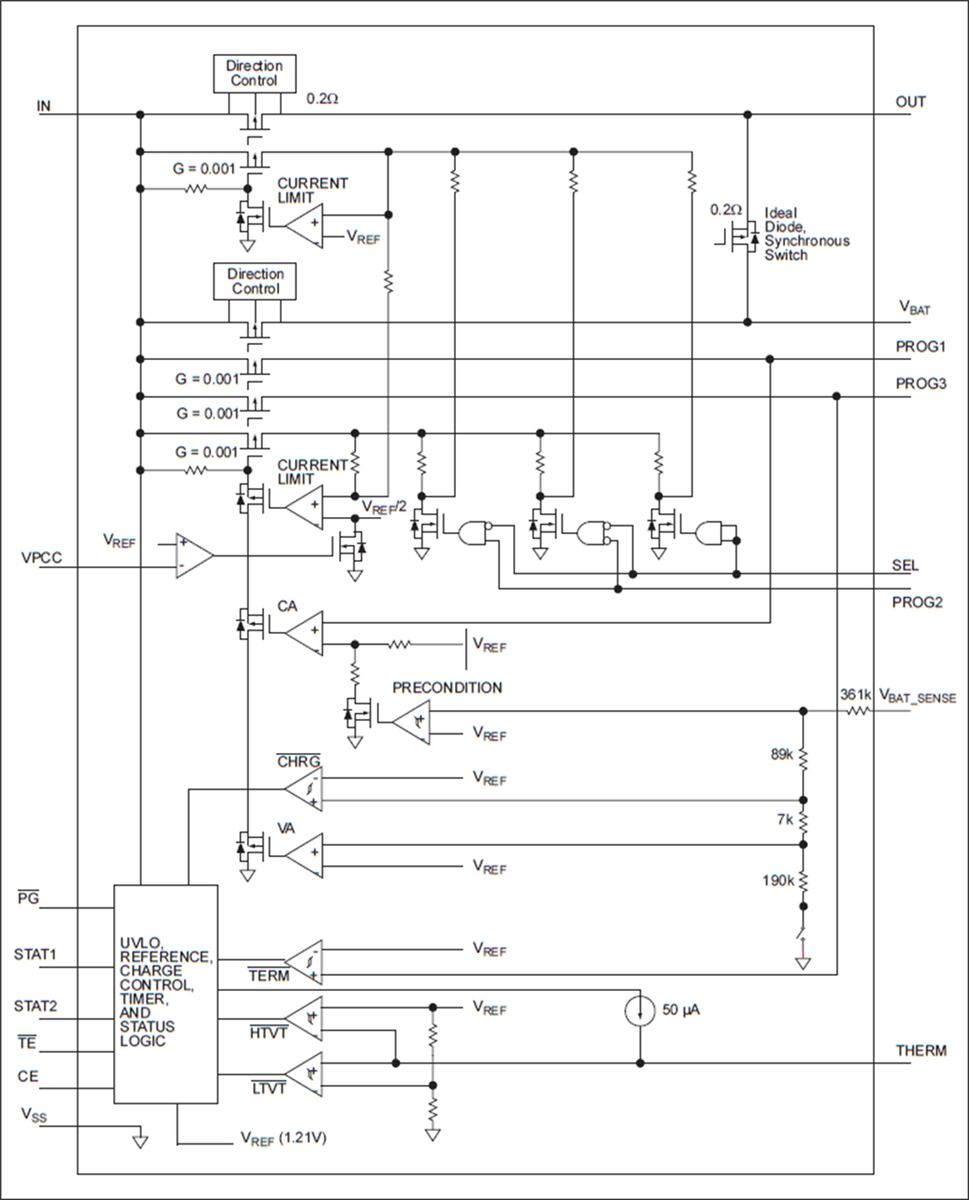
ブロック図
公開: 2017-12-20
| 更新済み: 2024-12-26

