NXP TEA6017AT LLCおよびPFCコンボコントローラは、信頼性が極めて高いリアルタイム性能を提供する高速で構成可能なハードウェア・ステート・マシンに基づいています。TEA6017ATコントローラに新しい設定を機器に読み込むと、動作設定と保護設定を変更できます。つまり、電源開発の段階で詳細なアプリケーション要件に適合することができます。設定を完全保護が可能で、独自のTEA6017ATの内容を不正コピーから守ることができます。
TEA6017ATは、LLC低消費電力モードのおかげで、従来の共振トポロジに比べて低負荷時に極めて高い効率性を実現します。このモードは、連続スイッチング(ハイパワーモード)とBurst Modeの間の電力領域で機能します。
TEA6017ATを使用すると、設計が簡単で少ない部品数の完全な共振電源をの構築を促進できます。TEA6017ATは、低背で本体の奥行が狭いSO16パッケージに格納されており、NXPの産業アプリケーション特性との完全互換性があります。
特徴
- 特徴
- 単一の小型サイズSO16パッケージに収められたPFCおよびLLCコントローラの完全機能
- NXP産業特性に準拠
- 統合高電圧スタートアップ
- 統合ドライバと高電圧レベルシフタ(LS)
- ハイサイドドライバは、ローサイドドライバの出力から直接供給
- 厳格なブースト電圧レギュレーション
- PFCは下記で動作するように構成可能:
- DCM/QR
- DCM/QR/CCM(マルチモード動作とも呼ばれる)
- CCM固定周波数
- 追加の外付け部品なしでの統合Xコンデンサ放電
- パワーグッド機能
- EMI性能の最適化を実現するPFCジッタ
- PFC電流が入力フィルタ電流を補正するため、優れた力率(PF)と全高調波歪み(THD)を実現
- グラフィカル・ユーザー・インターフェイス(GUI)を使用して評価を行う際に、次のような複数のパラメータを簡単に設定可能
- 動作周波数はすべての動作モードで可聴領域外
- バーストモードのソフトスタートとソフトストップにより可聴ノイズを低減
- 動作モード(高出力モード/低消費電力モード/バーストモード)間での正確な過渡レベル
- 低消費電力モードの有効化/無効化
- 保護
- 個別に構成できるレベルとタイマ
- ラッチ、安全リスタート、あるいは複数回のリセット試行後のラッチを実現するために多数の保護を個別に設定可能
- 低電圧保護(UVP)
- 過電力防止機能(OPP)
- 内部および外部過熱保護(OTP)
- 容量モード安定化(CMR)
- 精密な過電圧保護(OVP)
- 過電流保護(OCP)
- 突入電流保護(ICP)
- ブラウニングとブラウンアウト保護
- 入力の無効化
- 緑色
- スイッチング損失を最小化するバレーゼロ電圧スイッチング
- 低負荷から高負荷までの極めて高い効率性
- 省エネ規格と指令(energy Star、EuP)に準拠
- 優れた無負荷時の入力電力(TEA6017AT/TEA2095Tとの組み合わせで<75mW)
アプリケーション
- デスクトップとオールインワンPC
- ゲーム機の電源
- LCDテレビ
- ノートPCアダプタと汎用アダプタ
- プリンタ
- サーバー
- 5G供給
- UHD LEDテレビ
- 産業アプリケーション
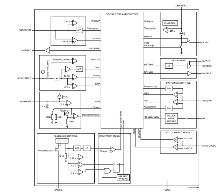
ブロック図
公開: 2022-09-06
| 更新済み: 2023-01-05
