Omron Industrial Automation S8VK-WA 3相200V電源
Omron Automation S8VK-WA 3相200V電源は、170~264VACの入力を活用した24VDCの出力、240~960Wの電力定格を備えています。3相入力範囲によって、負荷バランスの必要性と位相損失のリスクがなくなります。S8VK-WAは、LED3個とMOSリレー出力2つを活用し、誤ったロケーションの即座の識別に対応しています。この電源は、10秒で最大150%までの定格電流の大突入電流に対応するように設計されています。Omron S8VK-WAスイッチモード電源は、EN/IEC 61558-2-16規格に準拠しており、-40°C~+70°Cの周囲温度範囲で動作します。仕様
- 出力電圧: 24V
- 入力電圧範囲: 170~264VAC
- 電力定格: 240~960W
- 最大効率95%
- 過電圧および過負荷保護
- 定格周波数: 50/60Hz(47~63Hz)
- 漏洩電流: 最大1mA
- EN/IEC 61558-2-16に準拠
- 周囲温度範囲: -40°C~+70°C
- MOSFETリレー出力2つ(1つはDC出力用、もう1つは過負荷保護用)
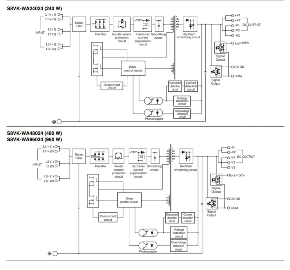
ブロック図
ビデオ
その他の資料
公開: 2019-04-16
| 更新済み: 2025-06-04
