onsemi NVH640S75L4SPx igbtモジュール
Onsemi NVH640S75L4SPx IGBTモジュールは、車載用フィールドストップ4 (FS4) パワーモジュールで、VE-Trac™ ダイレクトファミリの高集積パワーモジュールです。これらのモジュールは、シングルサイド直接冷却6パック構成において750Vおよび640Aで動作します。これによって、堅牢な短絡保護と強化された阻止電圧が備わっていると同時に、大電流密度を実現しています。NVH640S75L4SPxモジュールは、超低浮遊インダクタンス、175°C連続動作、高速リカバリダイオードチップ技術、4.2kV絶縁DBC基板が特徴です。これらのIGBTモジュールは、6パックトポロジー、鉛フリー、RoHS準拠の統合が簡単です。NVH640S75L4SPxIGBTモジュール は、UL94V-0可燃性等級に適合しています。これらのIGBTモジュールは、ハイブリッドおよび電気自動車トラクション・インバータおよび ハイパワー・コンバータに適しています。特徴
- 統合ピンフィンヒートシンクを用いた直接冷却
- 超低浮遊インダクタンス
- Tjmax = 175°C連続動作
- 低VCESAT とスイッチング損失
- AQG324認定FS4 750VNarrow Mesa IGBT
- 高集積された6パックトポロジー
アプリケーション
- ハイブリッドと電気自動車トラクション・インバータ
- ハイパワーコンバータ
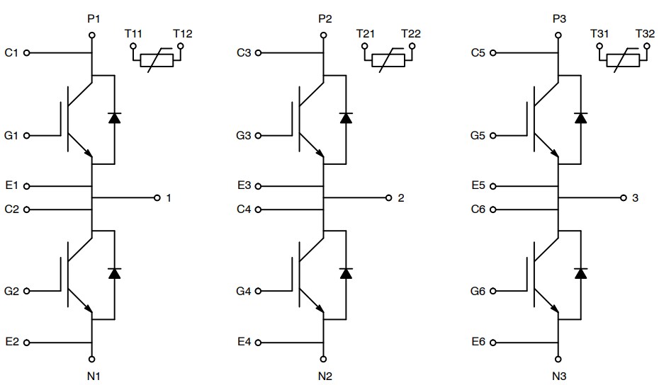
ピンの説明
公開: 2024-02-21
| 更新済み: 2024-03-10
