onsemi NVH950S75L4SPx IGBTパワーモジュール
OnsemiNVH950S75L4SPxIGBTパワーモジュールは、業界標準の フットプリントを持つ高集積パワーモジュールのVE-Trac™ Direct ファミリに属します。これらのパワーモジュールは、車載用の高性能シングルサイド直接冷却3相 6パックモジュールで、750Vコレクタ-エミッタ間電圧および950Aコレクタ電流が実装されています。NVH950S75L4SPxモジュールには、6つのフィールドストップ4 (FS4) 750V Narrow Mesa IGBTが6パック構成に統合されています。この6パックトポロジーは、堅牢な短絡保護と強化された阻止電圧が備わっていると同時に、大電流密度を実現しています。これらのモジュールには、 、ベースプレートに最適化されたピンフィン・ヒートシンクが付属しています。NVH950S75L4SPx IGBTモジュールはRoHS準拠しており、UL 94 V-0可燃性等級を満たしています。これらのIGBTモジュールは、ハイブリッドおよび電気自動車トラクション・インバータおよび ハイパワー・コンバータに適しています。特徴
- 統合ピンフィンヒートシンクを用いた直接冷却
- 超低浮遊インダクタンス
- Tvjmax = 175°C連続動作
- 低VCESAT とスイッチング損失
- 車載グレードFS4 750V Narrow Mesa IGBT
- 高速リカバリダイオードチップ技術
- 4.2kV絶縁DBC基板
- 6パックトポロジーの統合が簡単
- このデバイスは、鉛フリーでRoHS準拠しています。
アプリケーション
- ハイブリッドと電気自動車トラクションインバータ
- ハイパワーコンバータ
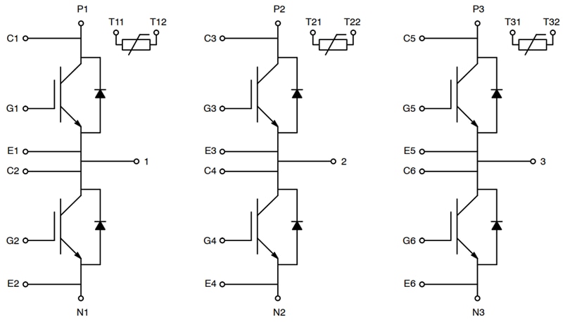
ピンの説明
公開: 2024-02-22
| 更新済み: 2024-03-11
